整体布置图示例

Tekla Structures
修改时间: 16 1月 2023
2025
Tekla Structures

整体布置图示例

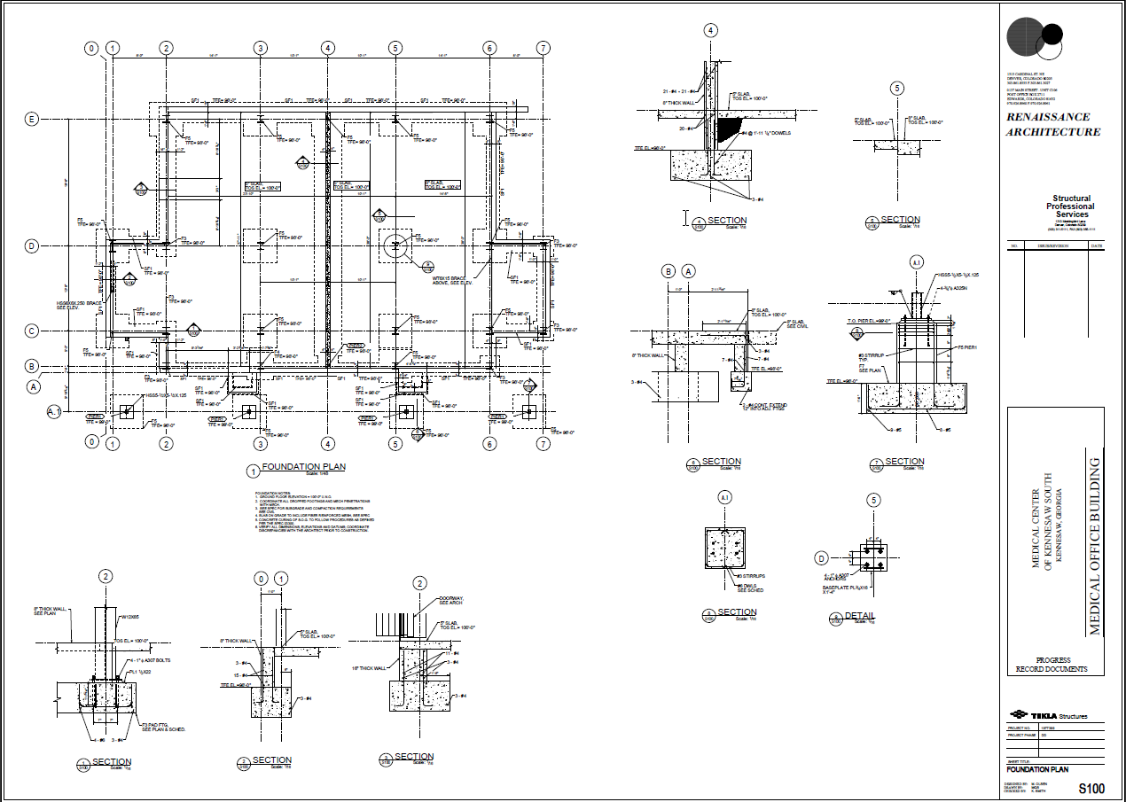
整体布置图(GA 图纸)是合同文档,用于记录了解工程中整体布置结构元素所需的信息。整体布置图是在 BIM 工作流根据一个或多个模型视图创建的,具有关联计划且位于工程标题页上。这是最常用的图纸形式,咨询结构工程师使用此图纸形式将结构充分传递给其他法律团队、公共机构以及设计、成本计算和建筑团队。

整体布置图从最合适的方向显示模型。例如,在平面图中,您从建筑物或楼板顶面朝地面方向查看。在标高图纸中,您从建筑物的其中一个侧面进行查看,就像沿着一条轴线一样。整体布置图通常包含复杂区域或详细信息的放大视图,并包含审核过程和安装阶段中具有帮助意义的其它附加信息。

在需要时创建整体布置图

  • 一张图纸上有多个视图,包括整个模型或模型的一部分

  • 平面图(基础、楼板、楼层板布置和锚栓平面图)

  • 安装标高图纸

  • 模型视图(包括 3D 视图)中的信息

单击下面的链接以了解有关创建整体布置图纸的更多信息:

Tekla Structures 图纸快速入门

创建整体布置图

使用主图纸目录中的已保存设置创建整体布置图

使用已保存设置创建锚栓平面图

有关 GA 图纸属性的详细信息,请参见整体布置图的属性

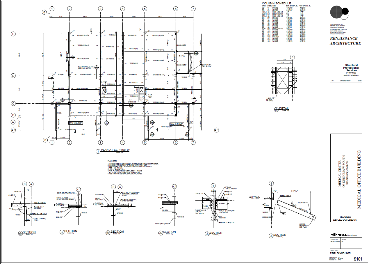
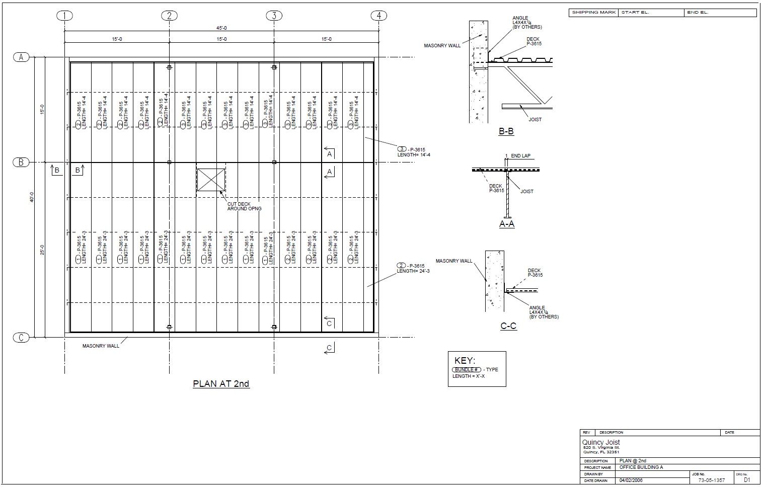
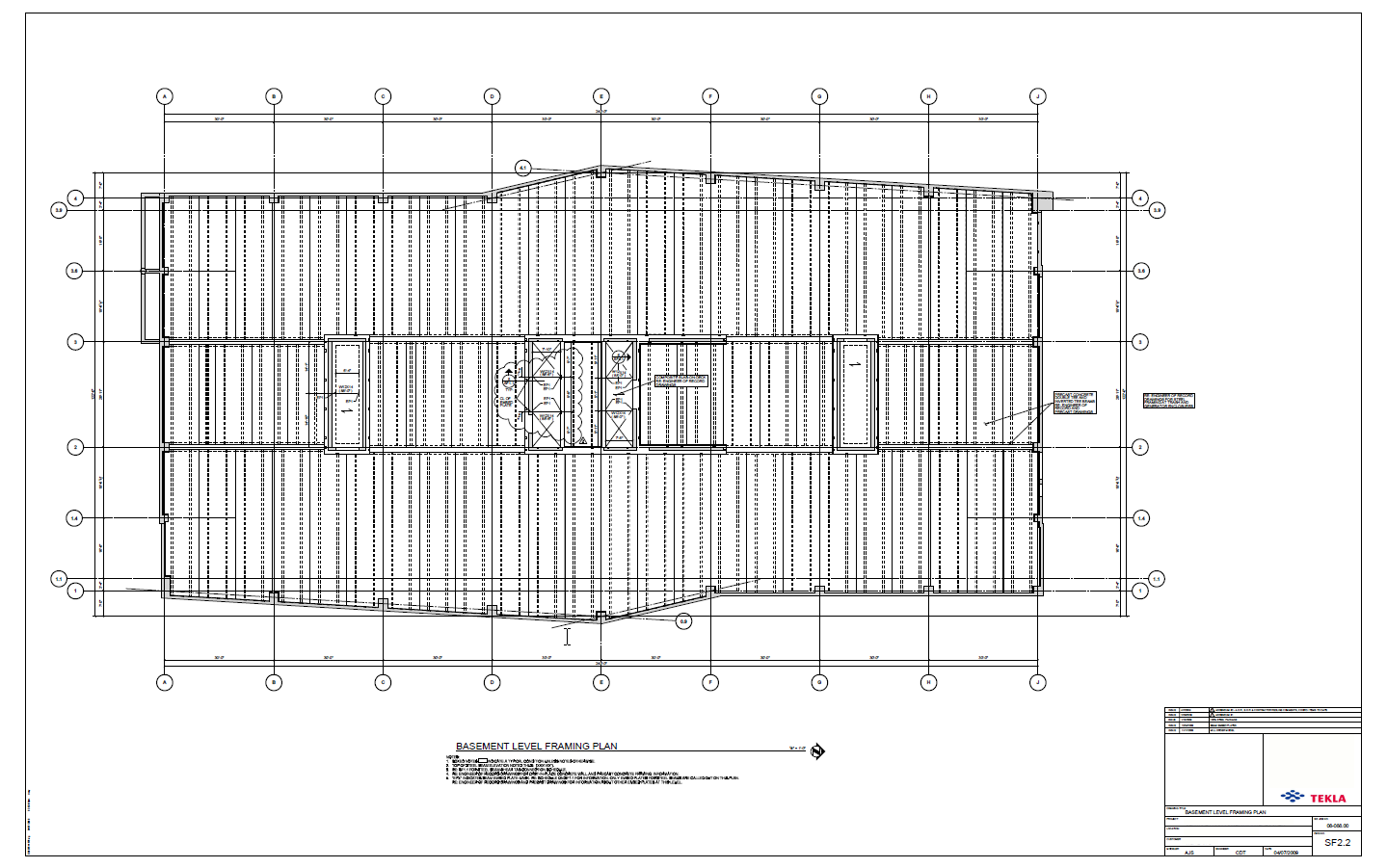
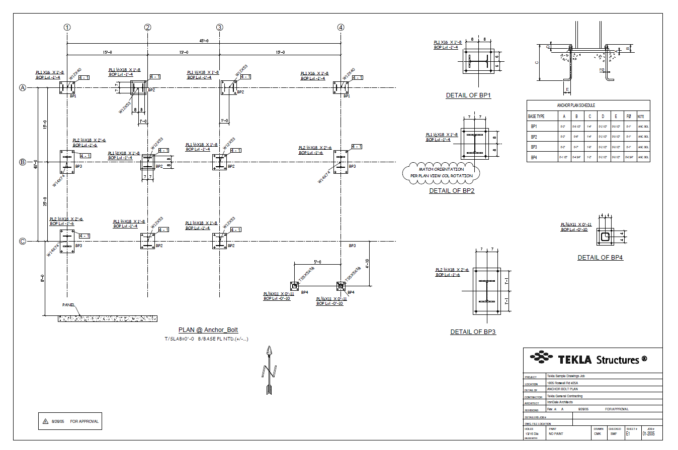
GA 图纸示例

基础平面图:

板平面图:

框架平面图:

楼层板平面图:

安装标高图纸:

等角图:

锚栓平面图:

这些内容是否有用?
上一步
下一步