Examples of general arrangement drawings

Tekla Structures
Modified: 16 Jan 2023
2025
Tekla Structures

Examples of general arrangement drawings

A general arrangement drawing (GA drawing) is a contract document, which records information needed to understand the general arrangement structural elements on a project. A GA drawing is created in BIM workflows from one or more model views, with associated schedules and on a project title sheet. This is the most common form of drawing used by consulting structural engineers to communicate a structure sufficiently to other legal teams, public authorities, along with the design, costing and construction teams.

General arrangement drawings show the model from the most suitable direction. For example, in plan drawings, you are looking from the top of a building or floor down towards the ground. In elevation drawings you are looking from one of the sides of the building, like along a grid line. General arrangement drawings often contain enlarged views of complex areas or details, and other additional information that helps in the approval process and during the installation phase.

Create general arrangement drawings when you need

  • Several views in one drawing, including the entire model or a part of it

  • Plan drawings (foundation, floor, deck layout, and anchor bolt plans)

  • Erection elevation drawings

  • Information from model views, including 3D views

Click the links below to find out more about creating general arrangement drawings:

Quick start to Tekla Structures drawings

Create general arrangement drawings

Create general arrangement drawings using saved settings in Master drawing catalog

Create anchor bolt plans using saved settings

For details on about GA drawing properties, see General arrangement drawing properties.

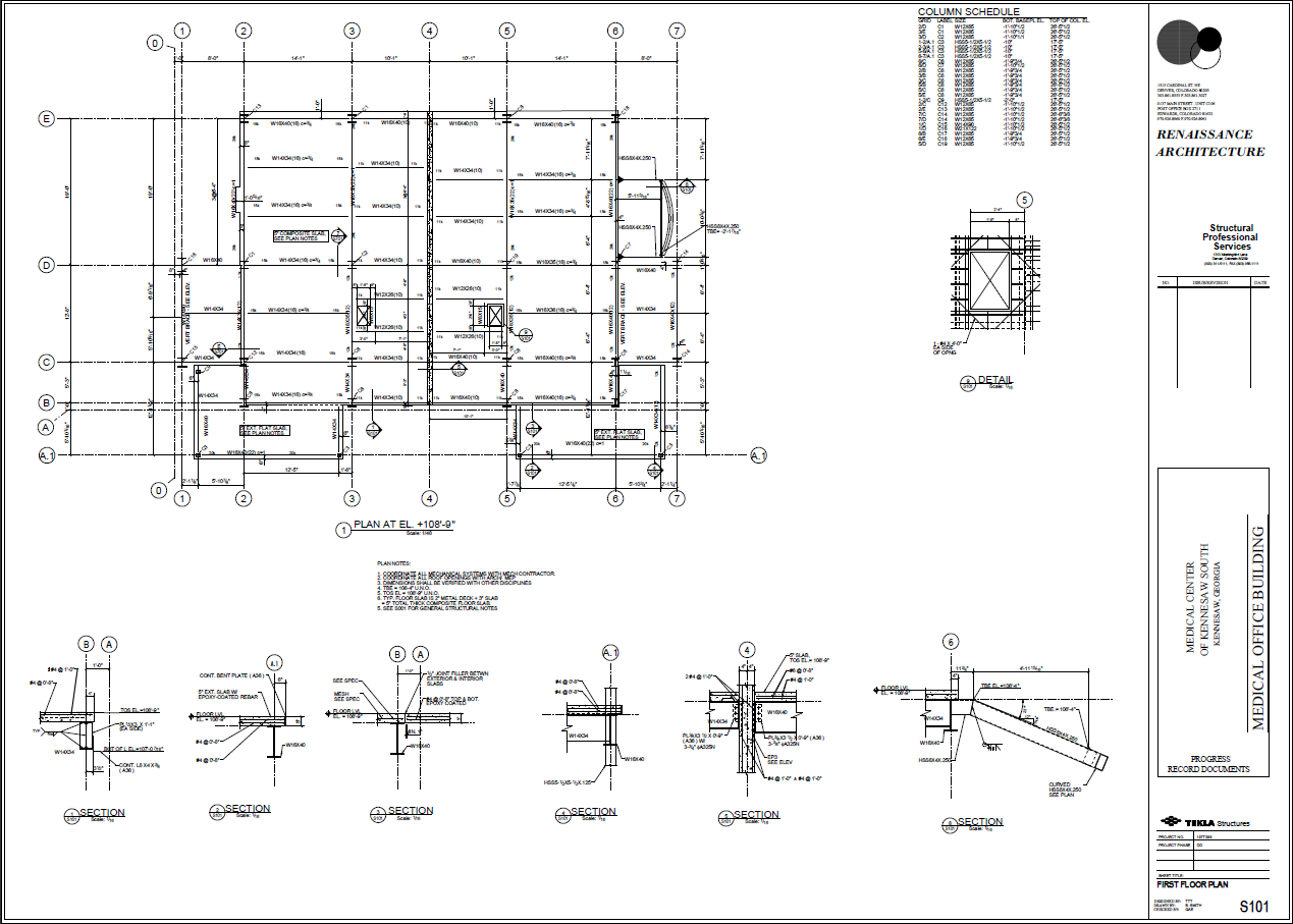
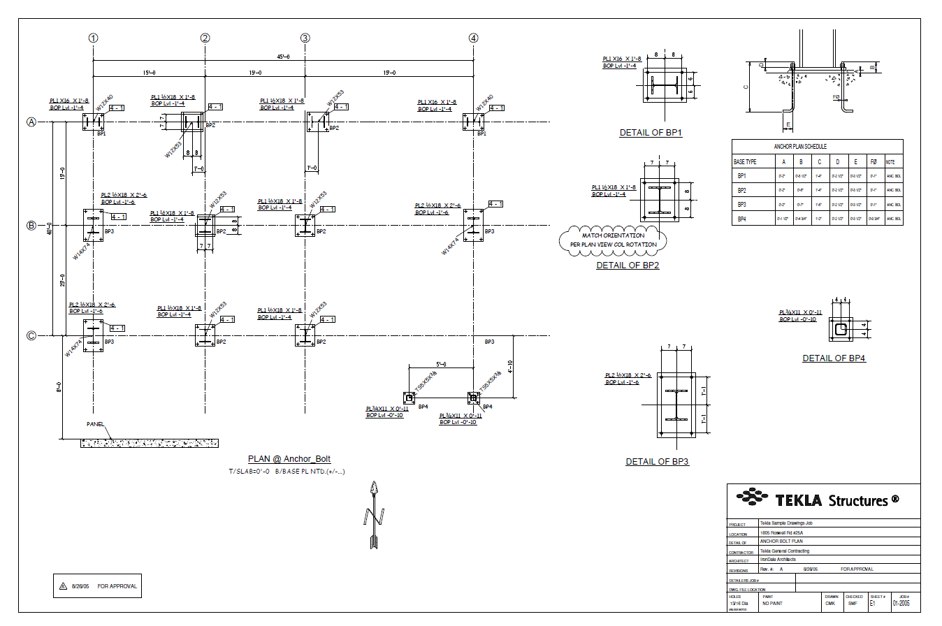
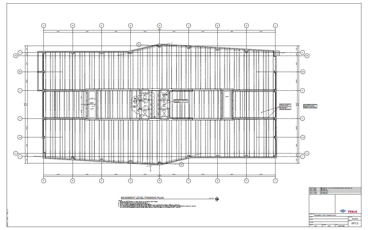
Examples of GA drawings

Foundation plan:

Slab plan:

Framing plan:

Deck plan:

Erection elevation drawing:

Isometric drawing:

Anchor bolt plan:

Was this helpful?
Submit
Previous
Next