Concrete member design workflow
The following example illustrates the typical process to analyze and design all the beams, columns and walls in a concrete structure.
Set up pattern loading
By default, only beam loads, and slab loads that have been decomposed on to beams, are patterned. Loads applied to slabs should be manually patterned using engineering judgement; this is achieved on a per panel basis for each pattern load by toggling the loading status via Update Load Patterns on the Load ribbon.
Set all beams columns and walls into autodesign mode
For the first pass, in order to get an efficient design at the outset, it is suggested that you set all members to "autodesign" with the option to select bars starting from Minima.
Related concept
Review beam and column design groups
Provided that the concrete beam and column options are checked in Design Settings > Design Groups, the design groups shown in the Groups tab of the Project Workspace will be applied in the beam and column autodesign processes.

Groups will initially have been established for members sharing the same geometry, but you should consider reviewing and amending them if required.
Review beam, column and wall design parameters and reinforcement settings
The member design parameters and reinforcement settings should be carefully considered prior to running the design.
Perform the concrete design
By running Design Concrete (Static) from the Design ribbon, you effectively combine analysis and design (with the exception of slab design) into a single automated process.
Up to three separate analyses are automatically performed in order to generate the design forces required for the concrete beam, column, and wall design:
- 3D Analysis
- Grillage chasedown analysis
- FE chasedown analysis
The sets of forces established from the FE chasedown analysis are considered by default for the design of each concrete member type. They can however be switched off should you decide that they are not required. The control for doing this for beams is located in Design Settings > Concrete > Beam > General Parameters. A similar control is provided for columns and walls also.
Reinforcement is designed, but member sizes are not changed during the design process.
Review stability issues
Issues relating to stability will be flagged in the Design branch of the Project Workspace Status tab. They can also be review graphically from Show/Alter State in the Review View.
Tabular results can be investigated from the Review View by clicking Tabular Data in the ribbon and then selecting the required View Type.

Review the design status and ratios
You can display the Design Status and Ratios from the Review View in order to determine if any remodelling is required.

In this example a number of members are not heavily loaded so you could consider resizing or designing them interactively.
If you make any changes, to see their effect simply re-run Design Concrete (Static) once more.
Create reports
To add concrete member design calculations to any model report, in the Report Contents dialog box, select the report style, then open the Concrete chapter and drag the Beam Design, Column Design and Wall Design chapters in the report structure.

- Beams, Columns and Walls - these sub-chapters are for
reporting the individual member designs. They each have a member report style
assigned which controls the level of output produced.
The style can be selected from the right click context menu as shown below.
Note: You can either choose a named style, or you can choose "Active Style" (in which case when you come to display the model report it will adopt whichever member report style is active at that time).Each named style can be configured to include more or less detail, which can be done in a separate operation as follows:- Close the above dialog box, and open the Member Reports dialog box.
- Choose the member types in turn (e.g. Concrete Beam, Concrete Column and
Concrete Wall) and select an existing style, (or add an new one if
required).Note: This dialog box is also used to review which member report style has been nominated as the "Active Style". You can switch this to the currently selected style by clicking the >> Active button.
- Drag chapters and options into the report structure as required.
-
Configure the level of calculation detail, by right clicking on the Design Calculations chapter and selecting Settings from the context menu.

- Choose the level of detail that the calculations are to be expanded
to in the report, (critical, with no levels expanded being the
minimum), then click OK to close the dialog box.

- Choose the level of detail that the calculations are to be expanded
to in the report, (critical, with no levels expanded being the
minimum), then click OK to close the dialog box.
- Click OK to close the Member Reports dialog box.
-
Beam Design Summary, Column Design Summary and Wall Design Summary - these sub-chapters will add tabular summaries of the designs into the report which can be filtered as required.

-
Beam Group Design Summary and Column Group Design Summary- these sub-chapters will add tabular group design summaries into the report.
The group summary tables can optionally be followed by member design reports for either the critical member only, all spans/stacks of the critical member, or all members. These options are set by right clicking on the group design summary sub-chapter and selecting Settings from the context menu.
To print the model report: on the ribbon, go to the Report tab, select the report style name and then click Show Report.

Create drawings and schedules
Drawings that convey the structural intent are easy to create. It should be borne in mind that these are NOT the final detail drawings, their purpose is to eliminate the need for manual mark-up drawings as a means of communication between the engineer and the detailer. Member detail drawings and member schedules are both available.
-
Concrete Beam Detail - this drawing variant can be created by right-clicking on the required beam and selecting Generate Drawing from the context menu. The drawing displays the reinforcement in the beam elevation and section and includes a table of bar quantities.

-
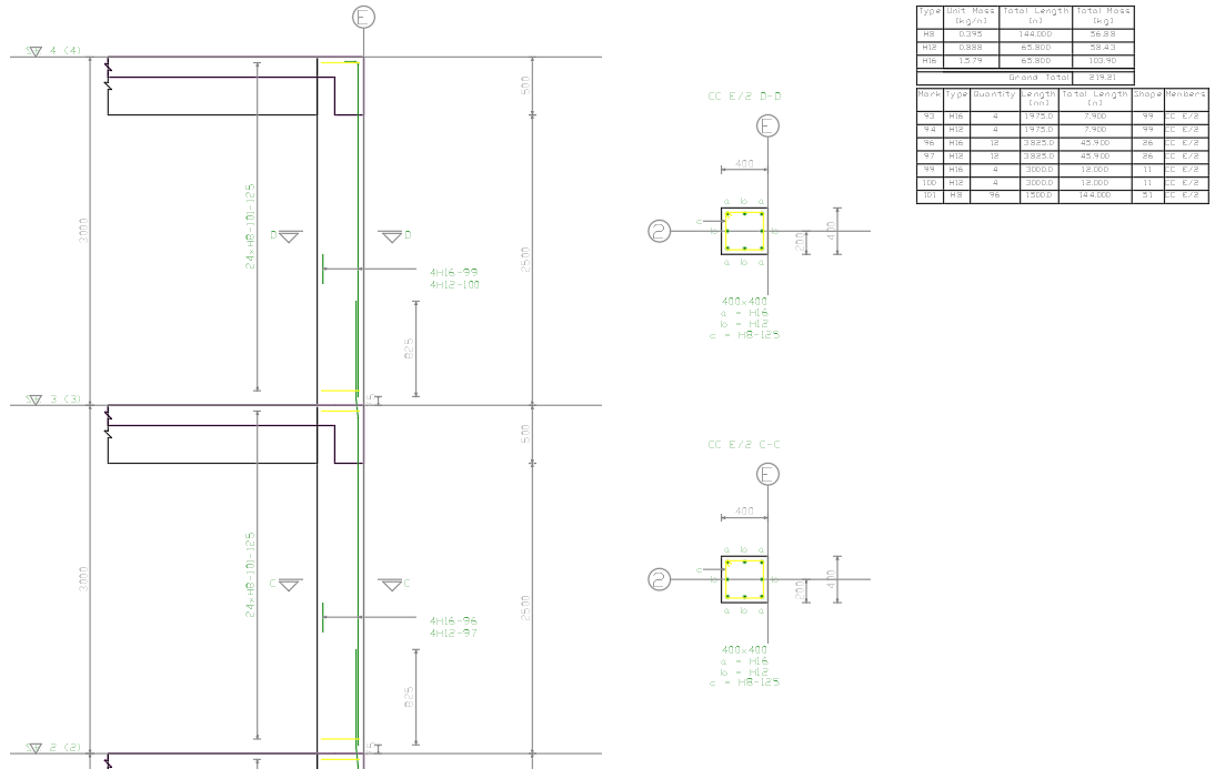
Concrete Column Detail - this drawing variant can be created by right-clicking on the required column and selecting Generate Drawing from the context menu. The drawing displays the reinforcement in the column elevation and section and includes a table of bar quantities.

-
Concrete Wall Detail - this drawing variant can be created by right-clicking on the required wall and selecting Generate Drawing from the context menu. The drawing displays the reinforcement in the wall elevation and section and includes a table of bar quantities.

The quickest way to create multiple beam, column or wall details is to use the Drawing Management tool to automatically generate them in a batch.
A beam batch drawing showing all the beam details at a particular level is shown below.

-
Beam Schedule - to create this drawing variant, first open a 2D scene view of the level for which you want it to be created, then click Beam Schedule on the Draw tab of the ribbon. Alternatively, to create beam schedules for multiple levels, use the Schedule Management tool to automatically create them in a single batch.

-
Concrete Schedule - to create this drawing variant click Column Schedule on the Draw tab of the ribbon, then select the columns you want to include.

-
Wall Schedule - to create this drawing variant click Wall Schedule on the Draw tab of the ribbon then select the walls you want to include.
