Ajout de cotations automatiques au niveau de la vue à l'aide du type de cotation intégré
La boîte de dialogue Cotation permet de contrôler la cotation des éléments dans un dessin. Vous pouvez utiliser différentes combinaisons d’options pour obtenir divers types d’effets de cotation.
Ajout de cotations à l’aide d’un type de cotation intégré
Groupement d'objets identiques sur la même ligne de cotation
Vous pouvez grouper des pièces, boulons, composants, coupes ou formes identiques sur la même ligne de cotation dans la cotation intégrée. Vous pouvez également inclure des étiquettes de cotation automatiques aux cotations groupées.
- Dans la boîte de dialogue Propriétés de la cotation, accédez à l'onglet Grouper cotations.
- Dans Activer le regroupement de cotations, sélectionnez les objets à regrouper.
- Mettez une ligne en surbrillance (Pièces, Boulons, Composants ou Sections dans la liste Activer le regroupement de cotations, puis sélectionnez les éléments pour lesquels vous définissez des conditions identiques dans les propriétés de regroupement.
- Dans Etiquette automatique, sélectionnez les options requises pour inclure automatiquement des étiquettes de cotes.
- Si vous voulez que Tekla Structures mette à jour le regroupement de cotations automatiquement, définissez l'option Mise à jour groupage quand le modèle change sur Oui.
- Cliquez sur OK.

Vous pouvez modifier le contenu des étiquettes de cotation dans le dessin final et y inclure d'autres éléments.
Ajout de cotes de niveaux
Vous pouvez ajouter des cotes de niveaux (repères de niveaux) à l'origine et à l'extrémité des pièces dans vos dessins dans les dimensions intégrées. Tekla Structures cote les élévations par rapport à un point de référence que vous pouvez modifier.
Par exemple, si le niveau est de 5 000 mm et si vous définissez le point de référence sur 200, le niveau passe à 4 800 mm. Vous pouvez également modifier le préfixe de cotation de niveau, qui est par défaut + dans la version française.
Vous pouvez également ajouter des repères de niveaux manuellement.
Pour modifier le point de référence et créer des niveaux à l'aide d'un autre préfixe :
La valeur de raccourcissement ajoutée dans les propriétés définies par l’utilisateur pour une pièce affecte également les niveaux.
Exemple

Limites
Tekla Structures crée des cotes de niveaux pour les pièces biaises uniquement, si ces pièces sont dans la même position dans le dessin et dans le modèle. Cela signifie que le système de coordonnées doit être défini sur modèle.
Si vous utilisez un système de coordonnées local, orienté ou cvt, par défaut, Tekla Structures ne dessine pas de cotations de niveaux pour les pièces biaises. Si vous souhaitez créer des cotations en élévation, définissez l'option avancée XS_DRAW_SKEWED_ELEVATIONS sur TRUE dans . Vous trouverez ci-dessous un exemple de cotation de niveau pour une pièce biaise.

Pour plus d’informations sur l’orientation des pièces, voir Définir l'orientation de la pièce dans les vues de dessin.
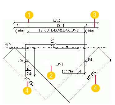
Création de cotations de contrôle
Dans la cotation intégrée, vous pouvez créer des cotations supplémentaires, des cotations de contrôle pour vérifier la précision des cotations. Les cotations de contrôle sont généralement dans un texte plus fin que les autres cotations. Elles ne sont pas nécessaires à la fabrication ou au montage et sont principalement utilisées pour contrôler les détails, non les pièces d'assemblage.
Tekla Structures utilise des points d'épure pour créer des cotations de contrôle. Les points d'épure sont les points entre lesquels la pièce a été créée ou le point d'intersection des lignes de référence des pièces. L'emplacement des lignes de référence dépend de l'option En profondeur, définie dans les propriétés des pièces. Si Milieu est défini, la ligne de référence correspond à l'axe ; si Devant est défini, la ligne se trouve à l'avant de la pièce, etc.
La cotation épure est une cotation de contrôle spécifique qui cote la distance entre les points d'épure et l'extrémité de la pièce.
Consultez le tableau sous les images pour savoir comment créer les cotations décrites.
Dimensions contrôle :

Cotations épure :
| Pour | Procéder comme suit |
|---|---|
|
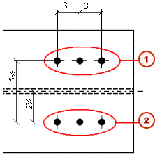
Créer des cotations de contrôle entre les points d'épure les plus extérieurs (numéro (1) dans l'image ci-dessus) |
Dans la boîte de dialogue Cotation, cliquez sur et définissez Points épure pièce principale sur Oui. |
|
Créer des cotations de contrôle entre les boulons les plus extérieurs (numéro (2) dans l'image ci-dessus) |
Dans la boîte de dialogue Cotation, cliquez sur et définissez Boulons extrêmes sur Assemblage ou Pièce principale. |
|
Créer des cotations de contrôle entre le point d'épure le plus extérieur et le premier boulon (numéro (3) dans l'image ci-dessus) |
Dans la boîte de dialogue Cotation, cliquez sur et définissez Boulons extrêmes sur Assemblage ou Pièce principale et Boulons extrêmes à points d'épure sur Oui. |
|
Créer des cotations de contrôle horizontales et verticales entre les points d'épure dans un contreventement en biais (numéro (4) dans l'image ci-dessus) |
Dans la boîte de dialogue Cotation, cliquez sur Cotation positions et définissez Position biaise pièce principale sur Oui. |
|
Créer des cotations de contrôle entre les points d'épure, comme les intersections des lignes de référence des pièces avoisinantes et principales |
Dans la boîte de dialogue Cotation, cliquez sur Cotation positions et définissez Position boulons à ou Position pièces à Epure ou Les deux. |
|
Créer des cotations de contrôle pour les emplacements des trous de boulons d'une pièce principale |
Dans la boîte de dialogue Cotation, cliquez sur Cotation positions et définissez Position boulon pièce principale sur Oui. |
|
Créer des cotations d'épures (numéro (5) dans l'image ci-dessus) |
Dans la boîte de dialogue Cotation, cliquez sur Cotation pièces et définissez Cotation épure sur Oui. |
Exemple : Cotation de pièce
Voici quelques exemples de la cotation intégrée de pièce avec différents paramètres sélectionnés dans l'onglet Cotation pièces.
| Paramètre de cotation | Exemple |
|---|---|
|
Dimensions Interne définies sur Aucun |
|
|
Dimensions Interne définies sur Tous. |
|
|
Dimensions hors-tout |
|
|
Forme pièce principale (Cotations de contour) définie sur Oui. |
|
|
Cotations des coupes défini sur Oui. |
|
|
Angle chanfrein défini sur Angle coupe. |
|
|
Angle chanfrein défini sur Angle poutre. |
|
Les chanfreins et les gorges de Préparation de soudure ne sont pas dimensionnés dans les dessins. Les chanfreins et les gorges ne sont cotés que s'ils ont été modélisés à l'aide des commandes de coupe.
Exemple : cotation des positions
Voici quelques exemples de cotations de positions dans la cotation intégrée avec différents paramètres sélectionnés dans l'onglet Cotation positions.
| Paramètre de cotation | Exemple |
|
Position pièces à est défini sur Aucun. |
|
|
Position pièces à est défini sur Pièce principale. |
|
|
Position boulons à est défini sur Epure. |
|
|
Pièce secondaire est cotée Par boulon. |
|
|
Pièce secondaire est cotée Par pièce. |
|
|
Pièce secondaire est cotée Par tous les deux. |
|
|
Pièce secondaire est cotée Par boulon. Direction cotation pièce secondaire est Pièce avoisinante. Position depuis est défini sur Point d'épure. |
(1) Les cotes absolues partent de l'intersection des pièces principales et secondaires (= point d'épure). (2) Les cotes sont alignées avec la pièce avoisinante. |
|
Position boulons principale est défini sur Non. (Cotations internes pièces principales est défini sur Interne dans l'onglet Cotations des boulons.) |
|
|
Position boulons principale est défini sur Oui. (Cotations internes pièces principales est défini sur Interne dans l'onglet Cotations des boulons.) |
Par défaut, les cotes de position minimale et maximale ne sont pas créées pour les boulons. Pour plus d'informations sur la création de ces cotes, voir Ajouter des cotations de position maximale et minimale aux boulons. |
|
Position biaise pièce principale est défini sur Oui. |
|
|
Position pièces biaises est défini sur Angle. |
|
|
Pièce axée est défini sur Interne. |
|
|
Pièce axée est défini sur Position. |
|
|
Boulons axés est défini sur Interne. |
|
|
Boulons axés est défini sur Position. |
|
Exemple : fermeture d'une cote
Voici quelques exemples de la manière dont Tekla Structures crée des cotes dans une cotation intégrée avec différentes options sélectionnées pour Fermer les cotations dans l'onglet Général.
| Options de fermeture de cotes | Exemple |
|---|---|
|
Fermer les cotations est défini sur Non. |
|
|
Fermer les cotations est défini sur Tous. |
|
|
Petites cotations est défini sur Non. |
|
Exemple : Combiner les cotations
Voici quelques exemples de la manière dont Tekla Structures combine des cotes dans une cotation intégrée avec différentes options sélectionnées dans l'onglet Général.
|
Combinaison d'options |
Exemple |
|---|---|
|
L'option Non empêche la combinaison des cotes. |
|
|
L'option 1 combine les cotes de position des pièces avec les cotes internes des pièces, et les cotes internes des groupes de boulons avec les dimensions de pince. Les cotes de position des boulons ne sont pas combinées avec les cotes internes de boulon. |
|
|
L'option 2 combine les cotes de position des pièces avec les cotes internes des pièces et les cotes internes des groupes de boulons. Les cotes internes de boulon sont combinées avec les cotes de position du boulon. Les pinces sont présentées séparément. |
|
|
L'option 3 combine les cotes internes de boulon et les cotes de position dans la même ligne de cote. |
|
|
L'option 4 combine les cotes de position des groupes de boulons avec les cotes de position des pièces. Les cotes internes de pièces et de boulons ne sont pas combinées avec cette option, mais les cotes internes des boulons sont combinées avec les pinces de la platine. |
|
|
L'option 5 combine les cotes internes et la cote de position des groupes de boulons là où il y a plusieurs groupes de boulons. |
|
|
L'option 4.5 associe l'option 5 des pièces principales et l'option 4 des pièces secondaires. |
|
|
Distance 5’-0 |
|
|
Distance 1’-0 |
|
|
Distance minimale 5’-0 |
|
|
Distance minimale 5" |
|
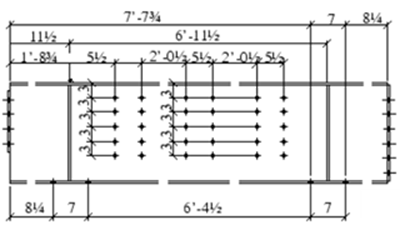
Exemple : Combiner des cotes de groupe de boulons
Pour la cotation et le repérage, Tekla Structures considère les groupes de boulons voisins comme un seul groupe en fonction du nombre minimum de cotes à combiner et du format sélectionné dans l'onglet Cotations des boulons.
(1) Groupe de boulons 1
(2) Groupe de boulons 2
Exemple : décalage pour accrochage
Voici quelques exemples de la manière dont Tekla Structures place les cotations dans la cotation intégrée avec différentes valeurs de décalage pour accrochage définies dans l'onglet Général.
| Paramètre de décalage pour accrochage | Exemple |
|---|---|
|
Décalage pour accrochage supérieur à la cote 1'-8 du groupe de trous. |
|
|
Décalage pour accrochage défini sur une valeur inférieure. |
|
Exemple : Dimensions du maillage
(1) Option Hors-tout sélectionnée
(2) Option Travées individuelles sélectionnée
Exemple : distance symétrie visible
Voici un exemple de la manière dont Tekla Structures utilise le paramètre Distance symétrie visible dans la cotation intégrée. Si vous attribuez une valeur à Distance symétrie visible dans l'onglet Général, et que l'asymétrie des pièces est plus petite que la distance que vous avez entrée, une cotation est ajoutée.
Ce paramètre est utilisé lorsque la cote Interne est définie sur Nécessaire. La cote de distance symétrie visible n'est pas obligatoire si la pièce peut être correctement assemblée sans sa présence.
Un rectangle dont la longueur est presque égale à sa largeur en est l'exemple parfait.
Exemple : côté de cote préféré
Vous pouvez définir le côté de cotation préféré des pièces et boulons dans l'onglet Cotation pièces et l'onglet Cotations des boulons dans la cotation intégrée. Les exemples ci-dessous montrent différents paramètres pour Côté préféré pour les cotations de pièces.
Exemple : Cotations armatures
Les exemples ci-dessous illustrent comment Tekla Structures crée des cotations pour des groupes d'armatures avec différentes options sélectionnées dans l'onglet Cotations armatures dans la cotation intégrée.
| Paramètre | Exemple |
|---|---|
|
Cotations groupes de fers est défini sur Oui, aucune étiquette de cotation n'est spécifiée dans les propriétés de cotation. |
|
|
Cotations groupes de fers est défini sur Oui, des étiquettes de cotation sont spécifiées dans les propriétés de cotation. |
|
|
Cotations groupes de fers est défini sur Oui, des étiquettes de cotation sont spécifiées dans les propriétés de cotation, des cotations de fermeture sont ajoutées au bord de la pièce dans les propriétés de cotation (Bord de pièce défini sur Oui). |
|










