使用集成尺寸标注类型添加自动的视图级特定尺寸
在尺寸标注对话框中,您可以在图纸中控制对哪些对象进行尺寸标注以及进行尺寸标注的方式。您可以尝试不同的选项组合,以获得不同的尺寸标注效果。
使用集成尺寸标注类型添加尺寸
将相同对象分组到相同尺寸线
您可以将相同的零件、螺栓、组件以及切割或形状分组到整体尺寸标注中的同一尺寸线。您也可以选择在分组的尺寸中包括自动尺寸标签。
- 在尺寸标注属性对话框中,转到尺寸组选项卡。
- 在激活尺寸组中选择要分组的对象。
- 在激活尺寸组列表中高亮显示行(零件、螺栓、组件 或 切割/外形),并选择您在组属性中定义相同条件的元素。
- 在自动标记中,选择相应的选项以包含自动尺寸标签。
- 如果您希望 Tekla Structures 自动更新尺寸组,请将当模型变动后更新组选项设置为是。
- 单击确认。

您可以在打开的图纸中更改尺寸标签内容并在标签中包含更多元素。
添加标高尺寸
您可以在图纸中为整体尺寸标注中的零件起点和终点添加标高尺寸(水平标记)。Tekla Structures 相对于一个参考点来标注标高尺寸,您可以更改这个参考点。
例如,如果标高为 5000 mm,您将参考点设置为 200,则标高将变为 4800 mm。您也可以更改标高尺寸前缀,在英文版本中,该前缀默认为 EL。
您也可以手动添加水平标记。
要更改参考点并使用另一个前缀创建标高尺寸:
减小零件的用户定义属性中添加的值也影响标高尺寸。
示例

限制
Tekla Structures 只有零件在图纸中的位置与在模型中的相同时,才为倾斜零件创建标高尺寸。这意味着坐标系必须设置为 模型。
如果您使用局部、定向的或支撑坐标系,默认情况下,Tekla Structures 不会为倾斜零件绘制标高尺寸。如果要创建标高尺寸,请将高级选项 XS_DRAW_SKEWED_ELEVATIONS 设置为 TRUE,设置路径为。请参见以下倾斜零件的标高尺寸示例。

有关零件方向的更多信息,请参见在图纸视图中定义零件方向。
创建校核尺寸
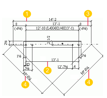
在整体尺寸标注中,您可以创建附加尺寸并校核尺寸,以校核尺寸的精度。校核尺寸的文本通常比其他尺寸更细。制造或安装时不需要校核尺寸,这些尺寸主要用于校核细部,而不用于装配零件。
Tekla Structures 使用工作点来创建校核尺寸。工作点可以是最初在其间创建零件的点,也可以是零件的参考线交叉点。参考线位置取决于在零件属性中设置的零件位置在深度。如果设置为中间,则参考线即为中心线,而如果设置为前面,则参考线位于零件前缘,等等。
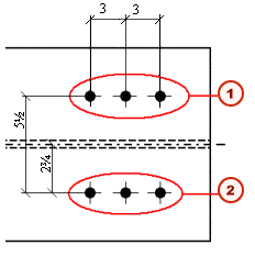
偏离尺寸是一种特殊类型的校核尺寸,标注工作点到零件末端的距离。
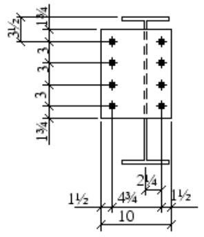
有关如何创建所描述尺寸的说明,请参阅图片下的表格。
校核尺寸:

偏离尺寸:
| 目的 | 操作步骤 |
|---|---|
|
在最外面的工作点之间创建校核尺寸(上图中的编号 (1)) |
在尺寸标注对话框中,单击,并将主零件工作点设置为是。 |
|
在最外面的螺栓之间创建校核尺寸(上图中的编号 (2)) |
在尺寸标注对话框中,单击,并将最外侧螺栓设置为构件或主零件。 |
|
创建从最外面的工作点到第一个螺栓的校核尺寸(上图中的编号 (3)) |
在尺寸标注对话框中,单击,并将最外侧螺栓设置为构件或主零件,将最外侧螺栓至工作点设置为是。 |
|
在倾斜支撑的工作点之间创建水平和垂直校核尺寸(上图中的编号 (4)) |
在尺寸标注对话框中,单击位置尺寸并将主零件倾斜位置设置为是。 |
|
在工作点(例如主零件和相邻零件参考线的交点)之间创建校核尺寸 |
在尺寸标注对话框中,单击位置尺寸并设置定位螺栓到或定位零件到工作点或两者。 |
|
在主零件中创建到螺栓孔位置的校核尺寸 |
在尺寸标注对话框中,单击位置尺寸并将主零件螺栓位置设置为开。 |
|
创建锁掉尺寸(上图中的编号 (5)) |
在尺寸标注对话框中,单击零件尺寸并将把尺寸锁掉设置为开。 |
示例:零件尺寸标注
示例:位置尺寸标注
下面是在位置尺寸选项卡上选择不同设置时位置尺寸在整体尺寸标注中的外观的示例。
| 尺寸标注设置 | 示例 |
|
定位零件到设置为无。 |
|
|
定位零件到设置为主零件。 |
|
|
定位螺栓到设置为工作点。 |
|
|
次零件的尺寸按螺栓标注。 |
|
|
次零件的尺寸按零件标注。 |
|
|
次零件的尺寸按两者标注。 |
|
|
次零件的尺寸按螺栓标注。 次零件尺寸方向为相邻的零件。 从...开始决定位置设置为工作点。 |
(1) 动态尺寸从主零件和次零件的交点(=工作点)开始 (2) 与相邻部件对齐的尺寸 |
|
主零件螺栓位置设置为关闭。 (在螺栓尺寸选项卡上将主零件螺栓内部尺寸设置为内部的。) |
|
|
主零件螺栓位置设置为打开。 (在螺栓尺寸选项卡上将主零件螺栓内部尺寸设置为内部的。) |
默认情况下,不会为螺栓创建最小和最大位置尺寸。有关如何创建这些尺寸的信息,请参见 向螺栓添加最小和最大位置尺寸。 |
|
主零件倾斜位置设置为是。 |
|
|
斜位置设置为角度。 |
|
|
对中零件设置为内部的。 |
|
|
对中零件设置为位置。 |
|
|
对中螺栓设置为内部的。 |
|
|
对中螺栓设置为位置。 |
|
示例:闭合尺寸
下面是在通用性选项卡的关闭尺寸区域中选择不同选项时,Tekla Structures 如何创建尺寸的一些示例。
| 关闭选项 | 示例 |
|---|---|
|
关闭尺寸设置为否。 |
|
|
关闭尺寸设置为全部。 |
|
|
短尺寸设置为否。 |
|
示例:组合尺寸
下面是在通用性选项卡上选择不同选项时,Tekla Structures 在整体尺寸标注中组合尺寸的一些示例。
|
组合选项 |
示例 |
|---|---|
|
选项否可防止对尺寸进行组合。 |
|
|
选项1可将零件位置尺寸与零件内部尺寸组合,并将螺栓组内部尺寸与螺栓边距组合。螺栓位置尺寸不与螺栓内部尺寸组合。 |
|
|
选项2可将零件位置尺寸与零件内部尺寸和螺栓组内部尺寸组合。螺栓内部尺寸不与螺栓位置尺寸组合。边距会单独显示。 |
|
|
选项3可在相同尺寸线中组合螺栓内部尺寸和位置尺寸。 |
|
|
选项4可将螺栓组位置尺寸与零件位置尺寸组合。零件和螺栓内部尺寸不与此选项组合,但是螺栓内部尺寸将与螺栓边距组合。 |
|
|
选项5可在存在多个螺栓组的情况下组合螺栓组的内部尺寸和位置尺寸。 |
|
|
选项4.5可将选项5的组合用于主零件,将选项4的组合用于次零件。 |
|
|
距离 5’-0 |
|
|
距离 1’-0 |
|
|
最小距离 5’-0 |
|
|
最小距离 5" |
|
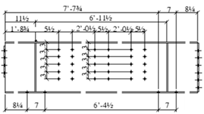
示例:合并螺栓组尺寸
为了进行尺寸标注和标记,Tekla Structures 会根据螺栓尺寸选项卡上所选的最小组合尺寸数和格式,将在整体尺寸标注中位置接近的螺栓组视为一个螺栓组。
(1) 螺栓组 1
(2) 螺栓组 2
示例:向前偏移
下面是通用性选项卡上设置了不同的向前偏移值时,Tekla Structures 如何定位整体标注尺寸中的尺寸的一些示例。
| 向前偏移设置 | 示例 |
|---|---|
|
向前偏移大于孔组的 1’-8 尺寸。 |
|
|
向前偏移设置为较小值。 |
|
示例:轴线尺寸
(1) 已选择全长选项
(2) 已选择单跨选项
示例:可辨认的距离
这是 Tekla Structures 如何在整体尺寸标注中使用可辨认的距离设置的示例。如果您在通用性选项卡上设置了可辨认的距离的值,并且零件的不对称量小于您输入的距离,则会添加尺寸。
如果内部的尺寸设置为必需,则使用此设置。如果不使用可辨认的距离尺寸也能够正确组装零件,则不一定需要这个尺寸。
一个典型的例子是一个长度和宽度几乎一样的矩形。
示例:首选的尺寸边侧
您可以在整体尺寸标注中的零件尺寸和螺栓尺寸选项卡上设置零件和螺栓的首选尺寸边侧。下面的示例显示了使用不同首选的尺寸边侧设置时零件尺寸的外观。
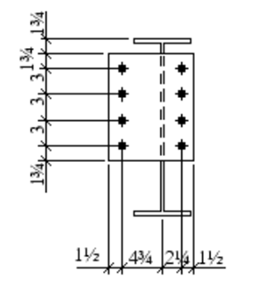
示例:钢筋尺寸
下面是在钢筋尺寸选项卡上选择不同选项时,Tekla Structures 如何在整体尺寸标注中创建钢筋组尺寸的一些示例。
| 设置 | 示例 |
|---|---|
|
钢筋组尺寸设置为打开,未在尺寸属性中指定尺寸标签。 |
|
|
钢筋组尺寸设置为打开,已在尺寸属性中指定尺寸标签。 |
|
|
钢筋组尺寸设置为打开,已在尺寸属性中指定尺寸标签,已向尺寸属性中的零件边缘添加闭合尺寸(零件边缘设置为是)。 |
|










