ASSEMBLY_POSITION_CODE
这是一个模板属性。模板属性可用于过滤,也可用于从模型中检索数据以用于图纸和报告。例如,在您创建报告时,Tekla Structures 会将报告模板中添加的属性替换为对应的对象属性值。
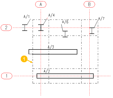
此模板属性显示构件位置代码。该代码标识轴线位置。对象的位置基于最接近的轴线进行计算。
|
构件 |
代码 |
|---|---|
|
A/1 |
<A/2 |
|
A/2 |
A-B/1 |
|
A/3 |
<A-B/1-2 |
|
A/4 |
A/2 |
|
A/6 |
A-B/1-2 |
|
A/7 |
B/2 |

(1) 容许误差线
位置代码包括 x 和 y 方向(或者 z 方向)的轴线标签。如果某个构件在第一条或最后一条轴线外侧开始或结束,则位置代码中将包含 < or > 字符。例如,如果某个构件从 A 轴线外侧开始,则此字段会显示:
<A/2
如果构件完全位于轴线 A 的容许误差距离(默认为 500 mm)内,则位置代码为该轴线的标签:A。
如果构件部分或完全位于容许误差距离外,该代码为轴线标签的组合:A-B。
要更改默认容许误差距离,请设置高级选项(例如 XS_ASSEMBLY_POSITION_CODE_TOLERANCE=750)。
要在代码中包含 Z 方向,请将高级选项 XS_ASSEMBLY_POSITION_CODE_3D 设置为 TRUE。代码形如:<A-B/1-2/1-+1000
Tekla Structures 按以下方式选择轴线:
-
Tekla Structures 检查构件的位置。
-
如果构件位于多个轴线内,Tekla Structures 会检查它是否平行于轴线或平面。
-
如果有多个平行的轴线,Tekla Structures 会选择最近的一个轴线。