Предустановленные параметрические профили в Tekla Structures
Ниже перечислены предустановленные параметрические профили, имеющиеся в Tekla Structures.
Профили перечислены в том же порядке, в котором они следуют в каталоге профилей в папке среды Default.
Чтобы изменить способ группирования профилей в дереве профилей, необходимо изменить правила каталога профилей.
Дополнительные предустановленные профили можно загрузить с сервиса Tekla Warehouse.
двутавровые профили
|
|
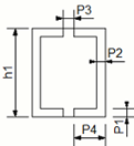
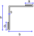
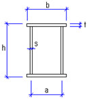
HIh-s-t*b (симметричные) HIh-s-t1*b1-t2*b2 |
|
|
HIh1-h2-s-t*b HIh1-h2-s-t1*b1-t2*b2 |
Двутавровые балки (сталь)
|
|
I_BLT_Ah-b1-s1-t1*h2-b2-s2-t2 |
|
|
I_BLT_B h*b1*t1*s-b2*t2 |
|
|
I_HEMh*b*c*s*t |
|
|
I_VAR_Ah1-ht*b1-bt*s*t |
уголковые профили
|
|
Lh*b*t |
Зетовые профили
|
|
BENTZ h*b*d*t[-a] |
|
|
Z h*b*t |
|
|
Z_VAR_A h1*b1*b2-s-h2*b3 |
|
|
Z_VAR_B h1*b1*b2-s-h2*b3 |
|
|
Z_VAR_C h1*b1*b2-s-h2*b3 |
Швеллеры
|
|
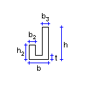
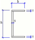
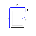
Uh*b*t |
C-профили
|
|
Ch*b*t |
|
|
C_BUILTh*b*s*t |
|
|
C_VAR_Ah1*b1-s-h2*b2 |
|
|
C_VAR_Bh1*b1-s-h2*b2 |
|
|
C_VAR_Ch1*b1-s-h2*b2 |
|
|
C_VAR_Dh-b-d-c-s |
тавровые профили
|
|
Th-s-t-b |
Сварные коробчатые профили
|
|
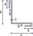
HK h-s-t*b-c HKh-s-t1*b1-t2*b2-c |
Сварные балочные профили
|
|
B_WLD_A h*b*s*t |
|
|
B_WLD_B h*b*s*t |
|
|
B_WLD_C h*s |
|
|
B_WLD_D h*b*s*t |
|
|
B_WLD_E h*b*s*t |
|
|
B_WLD_F h*b*s*[t] |
|
|
B_WLD_G h*b*s*t*a |
|
|
B_WLD_H h*bo*bu*s*to*tu |
|
|
B_WLD_I h*bo*s*to*bu*tu*a |
|
|
B_WLD_J h1*h2*b*s*t |
|
|
B_WLD_K h1*h2*b*s*t |
|
|
B_WLD_L h*wt*wb*s*tt*tb |
|
|
B_WLD_M h1*p1*p2*p3*p4 |
|
|
B_WLD_N p1*p2*p3*p4*p5*p6*p7*p8*p9 |
|
|
B_WLD_O b1*h1*b4*h5*b7*h6*P1*P2 |
|
|
B_WLD_P W*H*FT*WT*TPT*TPW*BPT*BPW |
Коробчатые профили
|
|
B_BUILTh*b*s*t |
|
|
B_VAR_Ah1-h2*t |
|
|
B_VAR_Bh1-h2*t |
|
|
B_VAR_Ch1-h2*t |
Профили WQ
|
|
HQh-s-t1*t2*b2 HQh*s-t1*b1-t2*b2-c |
Профили прямоугольного сечения
|
|
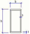
PLh*b h=высота b=толщина (меньше=b) |
Профили круглого сечения
|
|
Dd |
|
|
ELDd1*r1*d2*r2 |
Трубы квадратного и прямоугольного сечения
|
|
Ph*t (симметричные) Ph*b*t |
|
|
Ph1*b1-h2*b2*t |
Трубы круглого сечения
|
|
PDd |
|
|
PDd1*d2*t |
|
|
EPDd1*r1*d2*r2*t |
Холоднокатаные профили
|
|
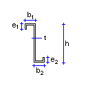
ZZh-t-e-b (симметричные) ZZh-t-e1-b1-e2-b2 |
|
|
CCh-t-e-b (симметричные) CCh-t-e1-b1-e2-b2 |
|
|
CW h-t-e-b-f-h1 (симметричные) CW h-t-e1*b1-f1-f2-e2*b2 |
|
|
CUh-t-h1-b-e (симметричные) CUh-t-h1-b1-h2-b2-e |
|
|
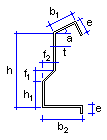
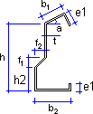
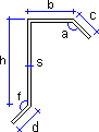
EBh-t-e-b-a EBh-t-e1-b1-e2-b2-a Опорные точки: 1=справа 2=слева 3=сверху |
|
|
BFh-s-b-h1 |
|
|
SPDd*t |
|
|
SPDd2*d2*t |
|
|
ESPD d1-d2*t |
|
|
ECh-t-e-b-a ECh-t-e1-b1-e2-b2-a |
|
|
EDh-t-b-e-h1-h2-f1-f2-a |
|
|
EEh-t-e-b-f1-f3-h1-f2-a |
|
|
EFh-t-e-b1-b2-f1-f2/h1-a |
|
|
EZh-t-e-b-f1-f3-h1-f2-a |
|
|
EWh-t-e-b1-b2-f1-f2-h2-h1-a |
Согнутые пластины
|
|
FFLAa-b-t |
|
|
FPANBh-b-t FPANB_-b-t FPANBAh-b-t FPANBA_h-b-t |
|
|
FPANBBh-c-d-t |
|
|
FPANCVb-c-d-t |
|
|
FPANGh-b-c-t |
|
|
FPANGAh-b-c-t |
|
|
FPANJa-b-c-t |
|
|
FPANJa-b-c-t |
|
|
FPAN a-b-c-t-g |
|
|
FPANVVa-b-c-t-g |
|
|
FP_Ah-b-c-d-g |
|
|
FP_AAh*b2*t*a |
|
|
FP_Bh-b-c-d-g-i |
|
|
FP_BBh-b-d |
|
|
FP_Cb-h-c |
|
|
FP_CCh-b-a-d-s |
|
|
FP_Db-h-c-d-f-g-i-j-s |
|
|
FP_Eb-h-c-d-f-g-s |
|
|
FP_Fb-h-c-d-f-g-s |
|
|
FP_Gb-h-c-d-f-g-s |
|
|
FP_Hb-h-c-d-f-s |
|
|
FP_Ib-h-c-d-f-s |
|
|
FP_Jb-h-c-d-a |
|
|
FP_Kb-h-c-d |
|
|
FP_Lb-h-c-d-f-s |
|
|
FP_Mb-h-c-d-s |
|
|
FP_Nb-h-c-d |
|
|
FP_Ob-h-c-d-s |
|
|
FP_Pa1*a2*h-b1*b2-Alpha1-Alpha2-Beta1-Beta2-s |
|
|
FP_Qb-h-c-d-s |
|
|
FP_Rb-h-c-d |
|
|
FP_Sb-h-c-s |
|
|
FP_Tb-h-a-d-s |
|
|
FP_Ub-h-a-d-s |
|
|
FP_Vb-h-s-c |
|
|
FP_Wb-h-a-d-s |
|
|
FP_WWh-b-a-c-s |
|
|
FP_Yh-b-c-d |
|
|
FP_Zd-h-b-s-a-f |
Корытообразные профили
|
|
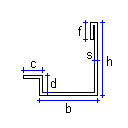
HAT h*a*c*t |
|
|
HATCa-b-c-b1-h-b3-b4-b5-s |
|
|
HATAb1*h1*h2*h3*h4*h5*h6*b2*t*f*a*h*b |
|
|
HATBb*b1*b2*h*h1*h2*h3*h4*t*f*a |
Двутавровые балки (бетон)
|
|
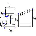
HIIh1*b1*t1-h2-s-b2*t2[-sft[-sfb]] |
|
|
IIh*b1*t1-s-b2*t2[-sft[-sfb]] |
|
|
SIIh1*b1*t1-h2-s-b2*t2[-sft[-sfb]] |
Ригельные балки (бетон)
|
|
RCLs*h-b*t |
|
|
RCDLs*h-b*t RCDLs*h-b*t1*t2 |
|
|
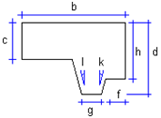
RCDXs*h-b*h2*h1 RCDXs*h-b*h4*h3*h2*h1 RCDXs*h-b*h4*h3*h2*h1-ex |
|
|
RCXXs*h-b*t*h1-h2-ex |
|
|
RCXs*h-b*h2*h1 |
Тавровые профили (бетон)
|
|
HTTh*b-s-t-b2-h2 |
|
|
TCh-b-t-s |
|
|
TRIh*b-b2*t1-h3-t2 |
|
|
TTh*b-s-t-b2 |
|
|
TTTh*b-bl-br-hw-bwmin-bwmax |
|
|
T_VAR_Ah1*h2*s*b1*t1-sft |
|
|
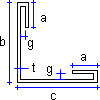
T_VAR_Bh-b-c-d |
Балки сложной формы (бетон)
|
|
IRR_Ab-h-g-c-d |
|
|
IRR_Bh-b-c-d-f-g |
|
|
IRR_Ch-b-c-d |
|
|
IRR_Db1*b2-h1*h2 |
|
|
IRR_Eh-b-c-d-h2-h3-h4 |
|
|
IRR_Fa*b |
|
|
IRR_Gh*b*h2*b2 |
|
|
IRR_Hh*b*h2*b2 |
|
|
IRR_Ih*b*b2 |
|
|
IRR_Jh*b*b2 |
|
|
OCTB*b1-H*h1 |
|
|
REC_Ah-b |
|
|
REC_Bh-b-b1 |
|
|
REC_Ch-b-b1 |
|
|
REC_Dh-b-b2 |
|
|
REC_Eh-b |
|
|
REC_Fh-b |
|
|
REC_Gh-b |
|
|
REC_Hh-b |
|
|
REC_I a-b*h |
|
|
TRI_Ah-b |
|
|
TRI_Ba1 |
|
|
TRI_Cb-h |
|
|
TRI_Dh*b |
|
|
TRI_Eb*h*h2*b2 |
Панели
|
|
PNL_Ah*b |
|
|
PNL_Bh*b |
|
|
PNL_Ch*b-a-ht*bt |
|
|
PNL_Dh*b-a-ht*bt |
|
|
PNL_Eh*b-a-ht*bt |
|
|
PNL_Fh*b-a-ht*bt |
|
|
PNL_Gh*b |
|
|
PNL_Hh*b-a-ht |
|
|
PNL_Ih*b-a-ht*bt |
|
|
PNL_Jh*b-a-ht*bt |
|
|
PNL_Kh*b |
|
|
PNL_Lh-b-c-f |
|
|
PNL_Mh-b-c-f-d |
|
|
PNL_Nh-b-d-f-g-j |
|
|
PNL_Oh-b-d-f-g-i-t |
Переменные поперечные сечения
|
|
HEXRECTh-b-br-hr |
|
|
HXGONb |
|
|
OBLINCLh1-h2-h3-h4-b |
|
|
OBLRIDh1*b1*b2-h2-h3-l2-l1 |
|
|
OBLVAR_Ah1*b1*b2-h2 |
|
|
OBLVAR_Bh1-h2-b |
|
|
OBLVAR_Ch-b-a-i-j-k-m-n |
|
|
OBLVAR_Dh-c-b |
|
|
OBLVAR_Eh-b-a-c-d-i-j-k-l-m-p-o |
|
|
OCTAGONb-b2 |
|
|
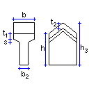
PRMDASh*b-he*be PL_Vh*b-he*be |
|
|
PRMDh*b-h2*b2 |
|
|
ROUNDRECTd-Rb*Rh-t*ye-ze |
Другие
|
|
BLKSd1-d2 |
|
|
CAPd |
|
|
HEMISPHERd |
|
|
NUT_Md |
|
|
RCRWh*b-b2*b3-b4-t1*t2-t3*t4 |
|
|
SKh*b-h2-t-b2-b3 |
|
|
SPHEREd |
|
|
STBb-h-h1-b1-b2-d |
|
|
STEPh-b*h1-b1-s |