ASSEMBLY_POSITION_CODE
Это атрибут шаблона. Атрибуты шаблонов можно применять для фильтрации или для извлечения данных из модели, чтобы использовать их на чертежах и в отчетах. Например, при создании отчета Tekla Structures заменяет атрибуты, добавленные в шаблон отчета, соответствующими значениями свойств объектов.
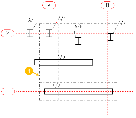
Этот атрибут шаблона служит для отображения кода положения марки относительно координат осей. Код определяет положение относительно сетки. Положение объектов вычисляется по ближайшей сетке.
|
Комплект |
Код |
|---|---|
|
A/1 |
<A/2 |
|
A/2 |
A-B/1 |
|
A/3 |
<A-B/1-2 |
|
A/4 |
A/2 |
|
A/6 |
A-B/1-2 |
|
A/7 |
B/2 |

(1) ЛИНИЯ ДОПУСКА
Код позиции состоит из меток линий сетки по осям X и Y (другой вариант — по оси Z). Если сборка начинается или заканчивается за пределами первой или последней линии сетки, в код позиции включается символ < или >. Например, если сборка начинается за пределами линии сетки А, в этом поле будет отображаться следующее:
<A/2
Если сборка полностью находится на расстоянии допуска (по умолчанию 500 мм) от линии сетки A, код позиции является меткой этой линии сетки: A.
Если сборка не находится на расстоянии допуска полностью или частично, код является сочетанием меток сетки: A-B.
Чтобы изменить расстояние допуска по умолчанию, задайте расширенный параметр допуска кода положения, например: XS_ASSEMBLY_POSITION_CODE_TOLERANCE=750.
Для включения в код ориентации оси Z установите расширенный параметр XS_ASSEMBLY_POSITION_CODE_3D в значение TRUE. Код будет выглядеть приблизительно так: <A-B/1-2/1-+1000
Tekla Structures определяет сетку для использования следующим образом:
-
Tekla Structures проверяет местоположение сборки.
-
При расположении в пределах нескольких линий сетки Tekla Structures проверяет, параллельна ли сборка линиям сетки или плоскости.
-
При наличии нескольких параллельных сеток Tekla Structures выбирает ближайшую из них.