Zakodowane na stałe identyfikatory typu gięcia w rozpoznawaniu kształtu zbrojenia
Tekla Structures rozpoznaje różne kształty gięcia prętów zbrojeniowych i przypisuje im identyfikatory typów.
Ta metoda rozpoznawania kształtu gięcia i następujące typy gięcia są używane tylko wtedy, gdy opcja zaawansowana XS_USE_USER_DEFINED_REBARSHAPERULES jest ustawiona jako FALSE.
Zalecamy ustawienie XS_USE_USER_DEFINED_REBARSHAPERULES na TRUE (jest to domyślna wartość) oraz używanie Menedżera kształtów zbrojenia przy rozpoznawaniu kształtów gięcia.
Identyfikatory typu gięcia w poniższej tabeli to wewnętrzne, zakodowane na stałe typy Tekla Structures. Wymiary ramion (D1, D2 itd.) oraz kąty gięcia (A1, A2 itd.) prętów zbrojeniowych to wewnętrzne wymiary i kąty Tekla Structures. Możesz mapować wewnętrzne typy gięcia Tekla Structures np. na typy gięcia globalne lub charakterystyczne dla danego projektu oraz wewnętrzne wymiary i kąty Tekla Structures na atrybuty konkretnych szablonów. Można to zrobić w pliku rebar_schedule_config.inp.
Wymiary gięcia prętów zbrojeniowych są obliczane tak, aby wymiary ramion (D1, D2 itd.) odpowiadały krawędzi zewnętrznej lub przedłużeniu końca pręta zbrojeniowego. Łączna długość jest obliczana zgodnie z osią pręta zbrojeniowego.
Jeżeli Tekla Structures nie rozpoznaje kształtu pręta zbrojeniowego, przypisuje mu typ gięcia UNKNOWN.
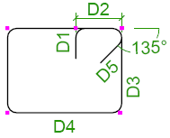
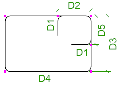
Punkty koloru purpurowego w obrazach w poniższej tabeli reprezentują punkty wybrane w modelu podczas tworzenia prętów.
Używaj Menedżera kształtów prętów zbrojeniowych, aby modyfikować zakodowane na stałe kształty gięcia lub definiować nowe.
| Identyfikator typu gięcia | Kształt gięcia |
|---|---|
| 1 |
|
| 2_1 |
Wymaga standardowego promienia gięcia. |
| 2_2 |
Niestandardowy promień gięcia. |
| 3_1 |
|
| 3_2 |
|
| 4 |
|
| 4_2 |
|
| 4_3 |
|
| 4_4 |
|
| 5_1 |
|
| 5_2 |
|
| 5_3 |
|
| 6_1 |
|
| 6_2 |
|
| 7 |
|
| 8 |
|
| 9 |
Wymaga haka 180 stopni. |
| 10 |
|
| 11 |
D1 = Promień od środka okręgu do osi pręta zbrojeniowego. |
| 12 |
|
| 13 |
Może być także zamodelowany przy użyciu haków na obu końcach (tj. zamodeluj D1 i D5, używając haków 90 stopni). |
| 14 |
Wymaga haków 90 stopni na obu końcach. |
| 14_2 |
|
| 14_3 |
|
| 14_4 |
Wymaga haków 90 stopni na obu końcach. |
| 14_5 |
Rozpoznany, gdy punkty początkowy i końcowy znajdują się w tym samym miejscu i nie są użyte haki. Jeżeli opcja |
| 15 |
Wymaga haków na obu końcach. |
| 16_1 |
|
| 16_2 |
|
| 17 |
|
| 18 |
|
| 19 |
|
| 20_1 |
|
| 20_2 |
|
| 21 |
|
| 22 |
|
| 23 |
|
| 24 |
|
| 25 |
|
| 26 |
Wymaga haków 180 stopni na obu końcach. |
| 27 |
Wymaga haków 90 stopni na obu końcach. |
| 28 |
Wymaga haków 180 stopni na obu końcach. |
| 29 |
Wymaga haków 90 stopni na obu końcach. |
| 29_2 |
|
| 29_3 |
|
| 29_4 |
|
| 29_5 |
|
| 30 |
Wymaga haków 180 stopni na obu końcach. |
| 31 |
Wymaga haków 90 stopni na obu końcach. |
| 32 |
Wymaga haków 180 stopni na obu końcach. |
| 32_2 |
|
| 33 |
Wymaga haków 90 stopni na obu końcach. |
| 34 |
|
| 35 |
Wymaga haka 180 stopni. |
| 36 |
Wymaga haka 180 stopni. |
| 36_2 |
Może też być zamodelowany przy użyciu haków na obu końcach. |
| 36_3 |
Może też być zamodelowany przy użyciu haków na obu końcach. |
| 37 |
Wymaga haka 180 stopni. |
| 38 |
Wymaga haka 180 stopni na jednym końcu i 90 stopni na drugim. |
| 38_2 |
|
| 39 |
|
| 40 |
Wymaga haków 180 stopni na obu końcach. |
| 41 |
Wymaga haków 90 stopni na obu końcach. |
| 42 |
Wymaga haków 180 stopni na obu końcach. |
| 43 |
|
| 43_2 |
|
| 44 |
Wymaga haków na obu końcach. |
| 44_2 |
Wymaga haków 180 stopni na obu końcach. |
| 45 |
Wymaga haków na obu końcach. |
| 45_2 |
Wymaga haków 180 stopni na obu końcach. |
| 46 |
Wymaga haków na obu końcach. |
| 47 |
Wymaga haków 90 stopni na obu końcach. |
| 48 |
Wymaga haków na obu końcach. |
| 48_2 |
Wymaga haków na obu końcach. |
| 48_3 |
|
| 49 |
D1 = Średnica osi pręta zbrojeniowego. |
| 49_2 |
|
| 50 |
Wymaga haków na obu końcach. |
| 51 |
Wymaga haków 90 stopni na obu końcach. |
| 52 |
Wymaga haków na obu końcach. |
| 53 |
Wymaga haków na obu końcach. |
| 54 |
Wymaga haków na obu końcach. |
| 55 |
|
| 56 |
|
| 57 |
|
| 58 |
|
| 59 |
|
| 60 |
|
| 61 |
Wymaga haków na obu końcach. |
| 61_2 |
Rozpoznawane, jeśli opcja |
| 61_3 |
Wymaga haków na obu końcach. |
| 62 |
Wymaga haka. |
| 63 |
Wymaga haka. |
| 64 |
Wymaga haków na obu końcach. |
| 64_2 |
Rozpoznawane, jeśli opcja |
| 65 |
Wymaga haków na obu końcach. |
| 65_2 |
Rozpoznawane, jeśli opcja |
| 66 |
|
| 67 |
|
| 67_2 |
|
| 68 |
|
| 69_1 |
|
| 69_2 |
|
| 70_1 |
|
| 70_2 |
|
| 71 |
|
| 72 |
|
| 73_1 |
|
| 73_2 |
|
| 73_3 |
|
| 74 |
|
| 75_1 |
|
| 75_2 |
|
| 76 |
|
| 77 |
|
| 78 |
|
| 79_1 |
|
| 79_2 |
|
| 80 |
|
UNKNOWN
|
Przykład:
|