ASSEMBLY_POSITION_CODE
To jest atrybut szablonu. Atrybuty szablonów mogą być używane do filtrowania lub pobierania danych z modelu i stosowane w rysunkach i raportach. Na przykład, kiedy tworzysz raport, Tekla Structures zastępuje atrybuty dodane w szablonie raportu wartościami powiązanych właściwości obiektów.
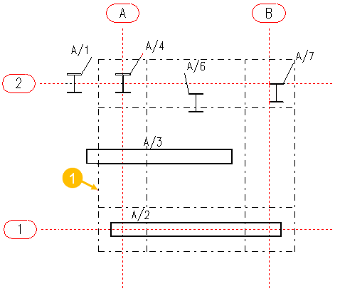
Ten atrybut szablonu pokazuje kod pozycji zespołu. Kod wyznacza położenie siatki. Położenie obiektów jest obliczane na podstawie najbliższej siatki.
|
Zespół |
Kod |
|---|---|
|
A/1 |
<A/2 |
|
A/2 |
A-B/1 |
|
A/3 |
<A-B/1-2 |
|
A/4 |
A/2 |
|
A/6 |
A-B/1-2 |
|
A/7 |
B/2 |

(1) TOLERANCE LINE
Kod położenia składa się z etykiet linii siatki w kierunkach x i y (opcjonalnie w kierunku z). Jeśli zespół zaczyna się lub kończy poza pierwszą lub ostatnią linią siatki, znak < or > jest uwzględniony w kodzie położenia. Przykładowo, jeśli zespół zaczyna się poza linią siatki A, w tym polu wyświetla się:
<A/2
Jeśli zespół znajduje się całkowicie w odległości tolerancji (domyślnie 500 mm) od linii siatki A, kod pozycji jest etykietą tej linii siatki: A.
Jeśli zespół znajduje się — częściowo lub całkowicie — poza odległością tolerancji, kod pozycji jest kombinacją etykiet linii siatki: A-B.
Aby zmienić domyślną odległość tolerancji, ustaw opcję zaawansowaną na przykład na XS_ASSEMBLY_POSITION_CODE_TOLERANCE=750.
Aby uwzględnić kierunek Z w kodzie, należy ustawić opcję zaawansowaną XS_ASSEMBLY_POSITION_CODE_3D na wartość TRUE. Kod będzie podobny do: <A-B/1-2/1-+1000
Tekla Structures wybiera siatki do użycia następująco:
-
Tekla Structures sprawdza umieszczenie zespołu.
-
Jeśli jest umieszczony wewnątrz kilku siatek, Tekla Structures sprawdza, czy zespół jest równoległy do linii siatki lub płaszczyzny.
-
Jeśli jest dostępnych kilka równoległych siatek, Tekla Structures wybiera najbliższą.