Bardziej niezawodne klonowanie rysunków
Klonowanie jest często używane na rysunkach do tworzenia rysunków wykonawczych. W Tekla Structures 2024 rysunki zespołów tworzone poprzez klonowanie mają lepszą jakość, co pozwala oszczędzić dodatkowej pracy. Rysunki lepiej dostosowują się do zmian po aktualizacjach w modelu.
Usprawnienia mechanizmu klonowania wprowadzają ulepszenia następujących funkcji:
- Funkcja Utwórz inteligentnie w rysunkach produkcyjnych. Ta funkcja została ulepszona, skupiając się głównie na rysunkach konstrukcji stalowych, ale rysunki konstrukcji betonowych również korzystają z usprawnienia.
- Klasyczna funkcja klonowania rysunków produkcyjnych tworzonych poprzez Menedżer dokumentów i Katalog rysunków głównych.
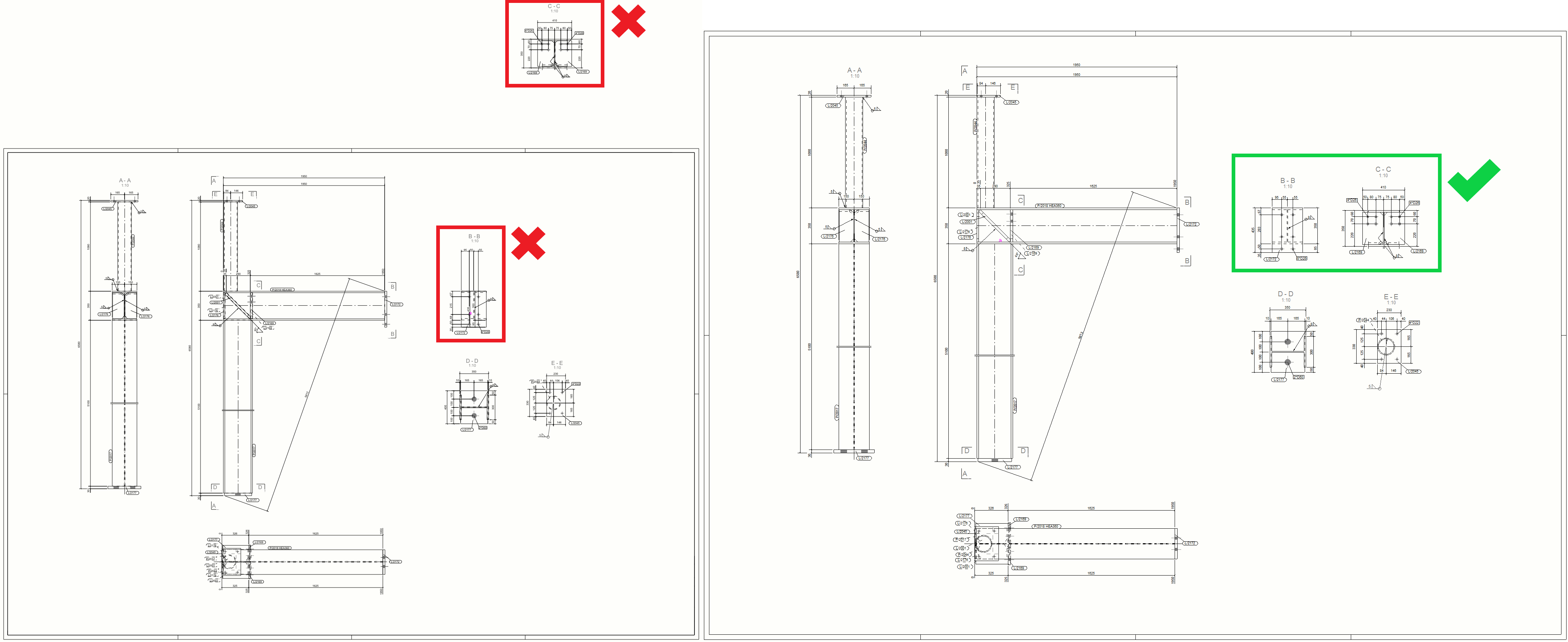
Jakość dokumentacji generowanej przez funkcję Utwórz inteligentnie na rysunkach produkcyjnych została poprawiona przede wszystkim dla rysunków zespołów:
- Ulepszone tworzenie widoku przekroju
- Ulepszone umieszczanie widoków i wymiarów elementów i śrub
Przykłady ulepszeń klonowania
W poniższych przykładach pokazano, w jaki sposób ulepszono umieszczanie oznaczeń i widoków w podobnych zespołach z różną liczbą obiektów modelu.
Aby wyświetlić obrazy w pełnym rozmiarze, kliknij link Obraz pełnowymiarowy pod każdym obrazem. Aby otworzyć łącze w innym oknie przeglądarki, kliknij je prawym przyciskiem myszy i wybierz odpowiednie polecenie.

Rysunek 1 Obraz pełnowymiarowy

Rysunek 2 Obraz pełnowymiarowy

Rysunek 3 Obraz pełnowymiarowy

Rysunek 4 Obraz pełnowymiarowy

Rysunek 5 Obraz pełnowymiarowy

Rysunek 6 Obraz pełnowymiarowy

Rysunek 7 Obraz pełnowymiarowy

Rysunek 8 Obraz pełnowymiarowy