철근 형상 인식을 위한 하드 코딩 방식의 굽힘 유형 식별자
Tekla Structures가 다른 철근 굽힘 형상을 인식하면 이 형상에 굽힘 유형 식별자를 할당합니다.
이 굽힘 형상 인식 방법과 다음 굽힘 유형은 고급 옵션 XS_USE_USER_DEFINED_REBARSHAPERULES 가 FALSE로 설정된 경우에만 사용됩니다.
XS_USE_USER_DEFINED_REBARSHAPERULES를 TRUE(기본값)로 설정하고 굽힘 형상 인식 대신 철근 형상 관리자를 사용하는 것이 좋습니다.
아래 표의 굽힘 유형 식별자는 하드 코딩 방식으로 Tekla Structures에 내장되어 있는 유형입니다. 철근의 레그 치수(D1, D2 등) 및 굽힘 각도(A1, A2 등)는 Tekla Structures 내부 치수 및 각도입니다. 예를 들어 Tekla Structures의 내장 굽힘 유형은 국가 또는 프로젝트별 굽힘 유형으로, 그리고 Tekla Structures의 내장 치수 및 각도는 특정 템플릿 속성으로 매핑할 수 있습니다. 이 작업은 rebar_schedule_config.inp 파일에서 수행할 수 있습니다.
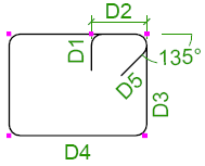
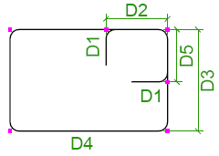
철근 굽힘 치수는 레그 치수(D1, D2 등)가 철근의 외부 가장자리 또는 가장자리 연장부를 따르도록 계산합니다. 전체 길이는 철근의 중심선을 따라 계산됩니다.
Tekla Structures가 철근 형상을 인식하지 못하면 UNKNOWN 굽힘 유형을 할당합니다.
아래 표의 이미지에서 자홍색 점은 철근 생성 시 모델에서 선택하는 점을 나타냅니다.
하드 코딩 방식의 굽힘 형상을 사용자 지정하거나, 새로운 굽힘 형상을 정의하는 경우에는 철근 형상 관리자를 사용하십시오.
| 굽힘 유형 식별자 | 굽힘 형상 |
|---|---|
| 1 |
|
| 2_1 |
표준 굽힘 반경 필요 |
| 2_2 |
비표준 굽힘 반경. |
| 3_1 |
|
| 3_2 |
|
| 4 |
|
| 4_2 |
|
| 4_3 |
|
| 4_4 |
|
| 5_1 |
|
| 5_2 |
|
| 5_3 |
|
| 6_1 |
|
| 6_2 |
|
| 7 |
|
| 8 |
|
| 9 |
180º 후크 필요 |
| 10 |
|
| 11 |
D1 = 철근의 원 중심부터 중심선까지 반경 |
| 12 |
|
| 13 |
양쪽 단부의 후크를 사용한 모델링도 가능합니다(90º 후크를 사용한 D1 및 D5 모델링). |
| 14 |
양쪽 단부에 90º 후크 필요 |
| 14_2 |
|
| 14_3 |
|
| 14_4 |
양쪽 단부에 90º 후크 필요 |
| 14_5 |
시작점과 끝점이 동일한 위치에 있고, 후크를 사용하지 않을 때 인식됨
|
| 15 |
양쪽 단부에 후크 필요 |
| 16_1 |
|
| 16_2 |
|
| 17 |
|
| 18 |
|
| 19 |
|
| 20_1 |
|
| 20_2 |
|
| 21 |
|
| 22 |
|
| 23 |
|
| 24 |
|
| 25 |
|
| 26 |
양쪽 단부에 180º 후크 필요 |
| 27 |
양쪽 단부에 90º 후크 필요 |
| 28 |
양쪽 단부에 180º 후크 필요 |
| 29 |
양쪽 단부에 90º 후크 필요 |
| 29_2 |
|
| 29_3 |
|
| 29_4 |
|
| 29_5 |
|
| 30 |
양쪽 단부에 180º 후크 필요 |
| 31 |
양쪽 단부에 90º 후크 필요 |
| 32 |
양쪽 단부에 180º 후크 필요 |
| 32_2 |
|
| 33 |
양쪽 단부에 90º 후크 필요 |
| 34 |
|
| 35 |
180º 후크 필요 |
| 36 |
180º 후크 필요 |
| 36_2 |
양쪽 단부의 후크를 사용한 모델링 가능 |
| 36_3 |
양쪽 단부의 후크를 사용한 모델링 가능 |
| 37 |
180º 후크 필요 |
| 38 |
한쪽 단부에 180º 후크, 그리고 나머지 단부에 90º 후크 필요 |
| 38_2 |
|
| 39 |
|
| 40 |
양쪽 단부에 180º 후크 필요 |
| 41 |
양쪽 단부에 90º 후크 필요 |
| 42 |
양쪽 단부에 180º 후크 필요 |
| 43 |
|
| 43_2 |
|
| 44 |
양쪽 단부에 후크 필요 |
| 44_2 |
양쪽 단부에 180º 후크 필요 |
| 45 |
양쪽 단부에 후크 필요 |
| 45_2 |
양쪽 단부에 180º 후크 필요 |
| 46 |
양쪽 단부에 후크 필요 |
| 47 |
양쪽 단부에 90º 후크 필요 |
| 48 |
양쪽 단부에 후크 필요 |
| 48_2 |
양쪽 단부에 후크 필요 |
| 48_3 |
|
| 49 |
D1 = 철근 중심선 직경 |
| 49_2 |
|
| 50 |
양쪽 단부에 후크 필요 |
| 51 |
양쪽 단부에 90º 후크 필요 |
| 52 |
양쪽 단부에 후크 필요 |
| 53 |
양쪽 단부에 후크 필요 |
| 54 |
양쪽 단부에 후크 필요 |
| 55 |
|
| 56 |
|
| 57 |
|
| 58 |
|
| 59 |
|
| 60 |
|
| 61 |
양쪽 단부에 후크 필요 |
| 61_2 |
|
| 61_3 |
양쪽 단부에 후크 필요 |
| 62 |
후크 필요 |
| 63 |
후크 필요 |
| 64 |
양쪽 단부에 후크 필요 |
| 64_2 |
|
| 65 |
양쪽 단부에 후크 필요 |
| 65_2 |
|
| 66 |
|
| 67 |
|
| 67_2 |
|
| 68 |
|
| 69_1 |
|
| 69_2 |
|
| 70_1 |
|
| 70_2 |
|
| 71 |
|
| 72 |
|
| 73_1 |
|
| 73_2 |
|
| 73_3 |
|
| 74 |
|
| 75_1 |
|
| 75_2 |
|
| 76 |
|
| 77 |
|
| 78 |
|
| 79_1 |
|
| 79_2 |
|
| 80 |
|
UNKNOWN
|
예제:
|