통합 치수 생성 유형을 사용하여 자동 뷰 레벨 치수 추가
치수 생성 대화 상자에서 도면에서 치수 생성 대상과 방법을 제어할 수 있습니다. 다양한 옵션 조합을 실험하면서 다양한 종류의 치수 생성 효과를 얻을 수 있습니다.
통합 치수 생성 유형을 사용하여 치수 추가
동일한 객체를 동일한 치수선으로 그룹화
통합 치수 생성에서 동일한 부재, 볼트, 컴포넌트, 컷 또는 형상을 동일한 치수선으로 그룹화할 수 있습니다. 또한 그룹화된 치수에 자동 치수 태그를 포함하는 옵션도 있습니다.
- 치수 생성 속성 대화 상자에서 치수 그룹화 탭으로 이동합니다.
- 치수 그룹화 활성화에서 그룹화할 객체를 선택합니다.
- 치수 그룹화 활성화 목록에서 행을 강조 표시하고(부재, 볼트, 컴포넌트 또는 컷부/형상) 그룹화 속성에서 동일한 조건으로 정의한 요소를 선택합니다.
- 자동 태그 지정에서 자동 치수 태그를 포함할 적절한 옵션을 선택하십시오.
- Tekla Structures가 치수 그룹화를 자동으로 업데이트하도록 하려면 모델 변경 시 그룹화 업데이트를 예로 설정하십시오.
- 확인을 클릭합니다.

열린 도면에서 치수 태그 내용을 변경하고 태그에 요소를 더 포함시킬 수 있습니다.
입면 치수 추가
통합 치수 생성에서 부재의 시작점과 끝점에 대한 입면 치수(레벨 마크)를 도면에 추가할 수 있습니다. Tekla Structures는 기준점(사용자가 변경 가능)을 기준으로 입면 치수를 생성합니다.
예를 들어, 입면이 5,000mm일 때 기준점을 200으로 설정하면 입면이 4,800mm으로 변경됩니다. 사용자가 입면 치수 접두사(영어 버전에서 기본적으로 EL)를 변경할 수도 있습니다.
또한 수동으로 레벨 마크를 추가할 수도 있습니다.
다른 접두사를 사용하여 기준점을 변경하고 입면 치수를 생성하는 방법:
부재의 사용자 정의 속성에 추가되는 단축 값은 입면 치수에도 영향을 미칩니다.
예제

제한 조건
Tekla Structures는 부재가 모델에서와 같이 도면에서 동일한 위치에 있는 경우에만 기울기 부재의 입면 치수를 생성합니다. 즉, 좌표계를 모델로 설정해야 합니다.
로컬, 지향 또는 브레이스 좌표계를 사용 중인 경우, Tekla Structures는 기본적으로 경사형 부재의 입면 치수를 그리지 않습니다. 입면 치수를 생성하려면 에서 고급 옵션 XS_DRAW_SKEWED_ELEVATIONS를 TRUE로 설정합니다. 경사형 부재에 대한 입면 치수의 예는 아래를 참조하십시오.

부재 방향에 대한 자세한 정보는 도면 뷰에서 부재 방향 정의를 참조하십시오.
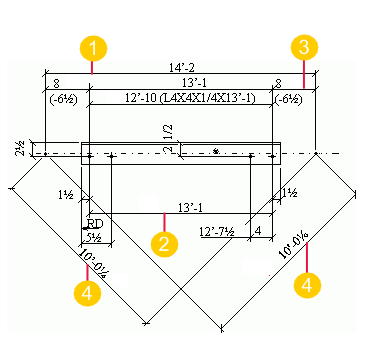
확인 치수 생성
통합 치수 생성에서 추가 치수를 생성하고 치수를 확인하여 치수의 정확성을 확인할 수 있습니다. 확인 치수는 일반적으로 다른 치수보다 얇은 텍스트로 표시됩니다. 이는 제작이나 설치에는 필요하지 않으며, 부재 조립이 아니라 주로 상세 확인에 사용됩니다.
Tekla Structures는 작업 지점을 사용하여 확인 치수를 생성합니다. 부재가 원래 생성된 점이나 부재 기준선의 교차점이 작업 점이 될 수 있습니다. 기준선 위치는 부재 속성에 설정된 부재 위치 깊이에 따라 다릅니다. 중간인 경우 기준선이 중심선이고, 상단인 경우 선이 부재 정면 가장자리에 위치하는 식입니다.
녹오프 치수는 작업 지점부터 부재 끝까지의 거리를 측정하는 특별한 유형의 확인 치수입니다.
설명된 치수를 생성하는 방법에 대한 지침은 이미지 아래의 표를 참조하십시오.
확인 치수:

녹오프 치수:
| 대상 | 수행할 작업 |
|---|---|
|
가장 바깥쪽 작업 지점 사이에 확인 치수 생성(위 이미지의 (1)번) |
치수 생성 대화 상자에서 를 클릭하고 메인 부재 작업 지점을 예로 설정합니다. |
|
가장 바깥쪽 볼트 사이에 확인 치수 생성(위 이미지의 (2)번) |
치수 생성 대화 상자에서 를 클릭하고 극단 볼트를 어셈블리 또는 메인 부재로 설정합니다. |
|
가장 바깥쪽 작업 지점에서 첫 번째 볼트까지 확인 치수 생성(위 이미지의 (3)번) |
치수 생성 대화 상자에서 를 클릭하여 극단 볼트를 어셈블리 또는 메인 부재로 설정하고 극단 볼트에서 작업 지점까지를 예로 설정합니다. |
|
기울어진 브레이스의 작업 지점 사이에 수평 및 수직 확인 치수 생성(위 이미지의 (4)번) |
치수 생성 대화 상자에서 위치 치수를 클릭하고 메인 부재 기울기 위치를 예로 설정합니다. |
|
메인 부재 기준선과 인접 부재 기준선의 교차점과 같은 작업 지점 사이에 확인 치수 생성 |
치수 생성 대화 상자에서 위치 치수를 클릭하고 볼트 위치 또는 부재 위치를 작업 지점 또는 모두로 설정합니다. |
|
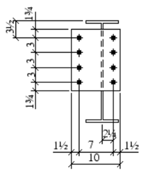
메인 부재의 볼트 홀 위치까지 확인 치수 생성 |
치수 생성 대화 상자에서 위치 치수를 클릭하고 메인 부재 볼트 위치를 켜기로 설정합니다. |
|
녹오프 치수 생성(위 이미지의 (5)번) |
치수 생성 대화 상자에서 부재 치수를 클릭하고 녹오프 치수를 켜기로 설정합니다. |
예제: 부재 치수 생성
예제: 위치 치수 생성
다음은 치수 배치 탭에서 선택한 다양한 설정의 통합 치수 생성에서 위치 치수가 어떻게 보이는지 보여주는 예입니다.
| 치수 생성 설정 | 예 |
|
부재 위치이 없음로 설정된 경우 |
|
|
부재 위치이 메인 부재로 설정된 경우 |
|
|
볼트 위치이 작업 지점로 설정된 경우 |
|
|
보조 부재 치수 생성은 볼트 기준입니다. |
|
|
보조 부재 치수 생성은 부재 기준입니다. |
|
|
보조 부재 치수 생성은 양쪽 기준입니다. |
|
|
보조 부재 치수 생성은 볼트 기준입니다. 보조 부재 치수 방향은 인접 부재입니다. 시작 위치이 작업 지점로 설정된 경우 |
(1) 실행 치수는 메인 및 보조 부재(=작업 지점)의 교차점에서 시작합니다. (2) 치수는 인접 부재에 맞춰집니다. |
|
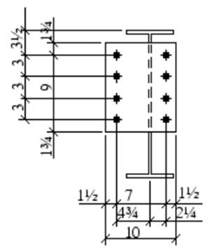
메인 부재 볼트 위치이 끄기로 설정된 경우 (메인 부재 볼트 내부 치수는 볼트 치수 탭에서 내부로 설정됨.) |
|
|
메인 부재 볼트 위치이 켜기로 설정된 경우 (메인 부재 볼트 내부 치수는 볼트 치수 탭에서 내부로 설정됨.) |
기본적으로 볼트에 대해서는 최소 및 최대 위치 치수가 생성되지 않습니다. 이러한 치수를 생성하는 방법에 대한 자세한 정보는 볼트에 최소 및 최대 위치 치수 추가를 참조하십시오. |
|
메인 부재 기울기 위치이 예로 설정된 경우 |
|
|
기울기 위치이 각도로 설정된 경우 |
|
|
중심에 위치한 부재이 내부로 설정된 경우 |
|
|
중심에 위치한 부재이 위치로 설정된 경우 |
|
|
중심에 위치한 볼트이 내부로 설정된 경우 |
|
|
중심에 위치한 볼트이 위치로 설정된 경우 |
|
예제: 닫는 치수
다음은 Tekla Structures가 일반 탭의 치수 닫기 영역에서 선택된 다양한 옵션을 사용하여 통합 치수 생성에서 치수를 생성하는 방법을 보여주는 예입니다.
| 닫기 옵션 | 예 |
|---|---|
|
치수 닫기이 아니요로 설정된 경우 |
|
|
치수 닫기이 모두로 설정된 경우 |
|
|
짧은 치수이 아니요로 설정된 경우 |
|
예제: 치수 결합
다음은 Tekla Structures가 일반 탭에서 선택된 다양한 옵션을 사용하여 통합 치수 생성에서 여러 치수를 결합하는 방법을 보여주는 예입니다.
|
옵션 결합 |
예 |
|---|---|
|
옵션 아니요은 치수 결합을 방지합니다. |
|
|
옵션 1은 부재 위치 치수와 부재 내부 치수를, 볼트 그룹 내부 치수와 볼트 모서리 거리를 결합합니다. 볼트 위치 치수는 볼트 내부 치수와 결합되지 않습니다. |
|
|
옵션 2는 부재 위치 치수와 부재 내부 치수 및 볼트 그룹 내부 치수를 결합합니다. 볼트 내부 치수는 볼트 위치 치수와 결합합니다. 모서리 거리는 별도로 표시됩니다. |
|
|
옵션 3은 볼트 내부 치수와 위치 치수를 동일 치수선에서 결합합니다. |
|
|
옵션 4는 볼트 그룹 위치 치수와 부재 위치 치수를 결합합니다. 부재와 볼트 내부 치수는 이 옵션으로 결합되지 않지만 볼트 내부 치수는 볼트 모서리 거리와 결합됩니다. |
|
|
옵션 5는 여러 볼트 그룹이 있는 경우에 볼트 그룹의 위치 치수와 내부 치수를 결합합니다. |
|
|
옵션 4.5는 메인 부재용 옵션 5와 보조 부재용 옵션 4의 조합을 사용합니다. |
|
|
거리 5’-0 |
|
|
거리 1’-0 |
|
|
최소 거리 5’-0 |
|
|
최소 거리 5" |
|
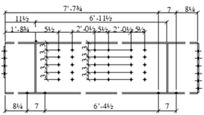
예제: 볼트 그룹 치수 결합
치수 생성 및 마킹을 위하여 Tekla Structures는 볼트 치수 탭에서 선택한 형식 및 결합할 치수의 최소 개수를 기준으로 통합 치수 생성에서 서로 가까이 위치한 볼트 그룹을 한 그룹으로 처리합니다.
(1) 볼트 그룹 1
(2) 볼트 그룹 2
예제: 전방 오프셋
다음은 Tekla Structures가 일반 탭에서 설정된 다양한 전방 오프셋 값을 사용하여 통합 치수 생성에서 치수를 배치하는 방법을 보여주는 예입니다.
| 전방 오프셋 설정 | 예 |
|---|---|
|
홀 그룹에 대하여 1'-8 치수보다 큰 전방 오프셋. |
|
|
더 작은 값으로 설정된 전방 오프셋. |
|
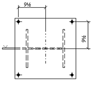
예제: 그리드 치수
(1) 옵션 전체가 선택됨
(2) 옵션 개별 폭이 선택됨
예제: 인식 가능한 거리
다음은 Tekla Structures가 통합 치수 생성에서 인식 가능한 거리 설정을 사용하는 방법을 보여주는 예입니다. 일반 탭에서 인식 가능한 거리의 값을 설정했으나 부재의 비대칭이 사용자가 입력한 거리보다 작은 경우에는 치수가 추가됩니다.
내부 치수가 필수로 설정되면 이 설정을 사용합니다. 인식 가능한 거리 치수 없이 부재를 올바르게 조립할 수 있는 경우에는 반드시 필요하지 않습니다.
일반적인 예는 거의 너비만큼 긴 직사각형입니다.
예제: 기본 치수 쪽
통합 치수 생성의 부재 치수 탭과 볼트 치수 탭에서 부재 및 볼트의 기본 치수 쪽을 설정할 수 있습니다. 아래는 기본 설정 치수 쪽의 다양한 설정이 부재 치수에서 어떻게 보이는지 보여주는 예입니다.
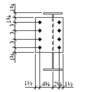
예제: 철근 치수
다음은 Tekla Structures가 철근 치수 탭에서 선택한 다양한 옵션을 사용하여 통합 치수 생성에서 철근 그룹 치수를 생성하는 방법을 보여주는 예입니다.
| 설정 | 예 |
|---|---|
|
철근 그룹에 대한 치수은 켜기, 치수 속성에 지정된 치수 태그 없음으로 설정됩니다. |
|
|
철근 그룹에 대한 치수은 켜기, 치수 속성에 지정된 치수 태그 없음으로 설정됩니다. |
|
|
철근 그룹에 대한 치수는 켜기, 치수 속성에 지정된 치수 태그, 치수 속성에서 부재 가장자리 추가된 닫는 치수로 설정됩니다(부재 가자자리는 예로 설정). |
|










