Aggiunta di quote automatiche a livello di vista utilizzando il tipo di quotatura Integrato
Nella finestra di dialogo Quotatura è possibile controllare gli elementi sui quali viene eseguita la quota e come viene eseguita. È possibile sperimentare diverse combinazioni di opzioni per ottenere diversi tipi di effetti di quotatura.
Aggiunta di quote utilizzando il tipo di quotatura Integrato
Raggruppamento di oggetti identici nella stessa linea di quota
È possibile raggruppare parti, bulloni, componenti, tagli o forme identici nella stessa linea di quota nella quotatura integrata. È inoltre possibile scegliere di includere le etichette di quota automatiche nelle quote raggruppate.
- Nella finestra di dialogo Proprietà quotatura, passare alla scheda Raggruppamento quote.
- In Attiva raggruppamento quote selezionare gli oggetti da raggruppare.
- Evidenziare una riga (Parti, Bulloni, Componenti o Tagli/Sagome nella lista Attiva raggruppamento quote e selezionare gli elementi da cui definire le condizioni identiche nelle proprietà di raggruppamento.
- In Etichettatura automatica, selezionare le opzioni adatte per includere automaticamente le etichette di quota.
- Affinché Tekla Structures aggiorni automaticamente il raggruppamento delle quote, impostare l'opzione Aggiorna il raggruppamento quando il modello cambia su Sì.
- Cliccare su OK.

È possibile modificare i contenuti delle etichette di quota in un disegno aperto e includere ulteriori elementi nell'etichetta.
Aggiunta di quote in elevazione
È possibile aggiungere quote in elevazione (marche di livello) nei disegni per i punti di inizio e fine delle parti nella quotatura integrata. Tekla Structures effettua quote in elevazione relative a un punto di riferimento che può essere modificato.
Ad esempio, se il prospetto è di 5000 mm e il punto di riferimento è impostato su 200, il prospetto diventa 4800 mm. Si può anche modificare il prefisso della quota in elevazione, che nella versione inglese è EL come impostazione di default.
È inoltre possibile aggiungere marche di livello manualmente.
Per modificare il punto di riferimento e creare quote in elevazione utilizzando un altro prefisso:
Il valore di accorciamento aggiunto nelle proprietà della parte definite dall'utente influisce anche sulle quote di elevazione.
Esempio

Limitazioni
Tekla Structures crea le quote in elevazione solo per le parti inclinate se le parti nel disegno sono nella stessa posizione del modello. Il sistema di coordinate deve quindi essere impostato su modello.
Se si utilizzano i sistemi di coordinate locale, orientato o di rinforzo, Tekla Structures non traccia di default le quote in elevazione delle parti inclinate. Se si desidera creare quote di elevazione, impostare l'opzione avanzata XS_DRAW_SKEWED_ELEVATIONS su TRUE in . Di seguito è riportato un esempio di quote in elevazione di una parte inclinata.

Per ulteriori informazioni sull'orientamento della parte, vedere Definire l'orientamento della parte nelle viste del disegno.
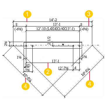
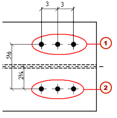
Creazione di quote di verifica
Nella quotatura integrata, è possibile creare ulteriori quote, quote di verifica, per verificare la precisione delle quote. Le quote di verifica in genere sono in testo più sottile rispetto alle altre quote. Non sono necessarie per la fabbricazione o il montaggio e sono usate soprattutto per verificare la lavorazione, non per assemblare le parti.
Tekla Structures utilizza i punti di lavoro per creare quote di verifica. I punti di lavoro possono essere i punti tra i quali è stata creata in origine la parte o il punto di intersezione delle linee di riferimento delle parti. La posizione della linea di riferimento dipende dal valore Alla profondità della posizione della parte impostato nelle proprietà delle parti. Se si trova a Metà, la linea di riferimento è quella centrale, se si trova a Sopra, la linea è posizionata sul bordo anteriore della part, e così via.
Le dimensioni punti schema sono uno speciale tipo di quota di verifica che quota la distanza dai punti di lavoro all'estremità della parte.
Vedere il tabella sotto le immagini per istruzioni su come creare le quote descritte.
Quote di verifica:

Dimensioni punti schema:
| Per | Operazione da eseguire |
|---|---|
|
Creare quote di verifica tra i punti di lavoro più esterni (numero (1) nell'immagine precedente) |
Nella finestra di dialogo Quotatura cliccare su e impostare Punti di lavoro della parte principale su Sì. |
|
Creare quote di verifica tra i bulloni più esterni (numero (2) nell'immagine precedente) |
Nella finestra di dialogo Quotatura cliccare su e impostare Bulloni d'estremità su Assemblaggio o Parte principale. |
|
Creare quote di verifica dal punto di lavoro più esterno al primo bullone (numero (3) nell'immagine precedente) |
Nella finestra di dialogo Quotatura cliccare su e impostare Bulloni d'estremità su Assemblaggio o Parte principale e Bulloni estremi ai punti di lavoro su Sì. |
|
Creare quote di verifica orizzontali e verticali tra i punti di lavoro in un controvento inclinato (numero (4) nell'immagine precedente |
Nella finestra di dialogo Quotatura cliccare su Posizione quote e impostare Posizione obliqua della parte principale su Sì. |
|
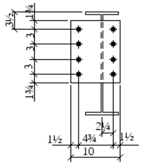
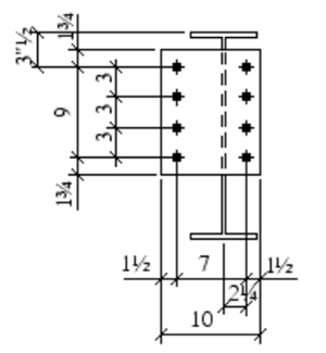
Creare quote di verifica tra i punti di lavoro, come le intersezioni delle linee di riferimento delle parti principali e adiacenti |
Nella finestra di dialogo Quotatura cliccare su Posizione quote e impostare Quota bulloni su o Quota parti su Punto schema o Entrambi. |
|
Creare quote di verifica nelle posizioni dei fori dei bulloni della parte principale |
Nella finestra di dialogo Quotatura cliccare su Posizione quote e impostare Posizione bulloni parte principale su Sì. |
|
Creare quote punti schema (numero (5) nell'immagine precedente) |
Nella finestra di dialogo Quotatura cliccare su Dimensioni della parte e impostare Dimensioni punti schema su Sì. |
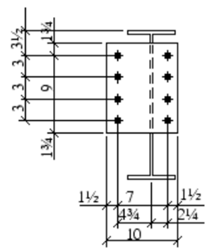
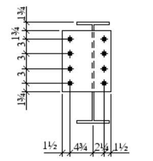
Esempio: Quotatura delle parti
Di seguito sono riportati alcuni esempi di come appaiono le quote delle parti nella quotatura integrata quando sono selezionate diverse impostazioni nella scheda Quote della parte.
| Impostazione quotatura | Esempio |
|---|---|
|
Quote Interno impostate su No |
|
|
Quote Interno impostate su Tutto. |
|
|
Quote complessive |
|
|
Forma della parte principale (Quote della sagoma) impostato su Si. |
|
|
Quote smusso impostato su Si. |
|
|
Angolo di smusso impostato su Angolo di taglio. |
|
|
Angolo di smusso impostato su Angolo della trave. |
|
Gli smussi e le scanalature della preparazione saldatura non sono quotati nei disegni. Gli smussi e le scanalature vengono quotati solo se sono stati modellati utilizzando i comandi di taglio.
Esempio: posizione delle quote
Di seguito sono riportati alcuni esempi di come appaiono le quote di posizione nella quotatura integrata quando sono selezionate diverse impostazioni nella scheda Posizione quote.
| Impostazione quotatura | Esempio |
|
Quota parti rispetto a è impostata su No. |
|
|
Quota parti rispetto a è impostata su Parte principale. |
|
|
Quota bulloni rispetto a è impostata su Punto schema. |
|
|
Parte secondaria è quotato Per bullone. |
|
|
Parte secondaria è quotato Per parte. |
|
|
Parte secondaria è quotato Per entrambi. |
|
|
Parte secondaria è quotato Per bullone. Direzione quota parte secondaria è Parte adiacente. Posizione da è impostata su Punto di lavoro. |
(1) L'esecuzione delle quote comincia dall'intersezione della parte principale e secondaria (=punto di lavoro) (2) Le quote sono allineate alla parte adiacente |
|
Posizione bulloni della parte principale è impostata su No. (Quote interne del bullone della parte principale è impostato su Interno nella scheda Quote bulloni). |
|
|
Posizione bulloni della parte principale è impostata su Si. (Quote interne del bullone della parte principale è impostato su Interno nella scheda Quote bulloni). |
Per impostazione predefinita, non vengono create quote di posizione massime e minime per i bulloni. Per ulteriori informazioni su come creare queste quote, vedere Aggiunta di quote di posizione minime e massime ai bulloni. |
|
Posizione obliqua della parte principale è impostata su Sì. |
|
|
Posizione obliqua è impostata su angolo. |
|
|
Parte centrata è impostata su Interno. |
|
|
Parte centrata è impostata su Posizione. |
|
|
Bullone centrato è impostata su Interno. |
|
|
Bullone centrato è impostata su Posizione. |
|
Esempio: chiusura quote
Di seguito sono riportati alcuni esempi di come Tekla Structures crea le quote nella quotatura integrata con diverse opzioni selezionate nell'area Chiudi quote della scheda Generale.
| Opzione Chiusura | Esempio |
|---|---|
|
Chiudi quote è impostata su No. |
|
|
Chiudi quote è impostata su Tutto. |
|
|
Quote ridotte è impostata su No. |
|
Esempio: Combinazione di quote
Di seguito sono riportati alcuni esempi di come Tekla Structures combina le quote nella quotatura integrata con opzioni diverse selezionate nella scheda Generale.
|
Opzione di combinazione |
Esempio |
|---|---|
|
L'opzione No evita la combinazione delle quote. |
|
|
L'opzione 1 combina le quote di posizione della parte con le quote interne della parte, e le quote interne del gruppo di bulloni con le distanze dal bordo dei bulloni. Le quote di posizione dei bulloni non vengono combinate con le quote interne dei bulloni. |
|
|
L'opzione 2 combina la quota di posizione della parte con le quote interne della parte e le quote interne del gruppo bulloni. Le quote interne dei bulloni vengono combinate con le quote di posizione dei bulloni. Le distanze dal bordo vengono visualizzate separatamente. |
|
|
L'opzione 3 combina le quote interne dei bulloni e le quote di posizione nella stessa linea di quota. |
|
|
L'opzione 4 combina le quote di posizione del gruppo di bulloni con le quote di posizione della parte. Con questa opzione non vengono combinate le quote interne della parte e dei bulloni, bensì le quote interne dei bulloni con le distanze dal bordo dei bulloni. |
|
|
L'opzione 5 combina le quote interne e le quote di posizione dei gruppi di bulloni nei casi in cui sono presenti diversi gruppi di bulloni. |
|
|
L'opzione 4.5 utilizza una combinazione dell'opzione 5 per la parte principale e una combinazione dell'opzione 4 per le parti secondarie. |
|
|
Distanza 5’-0 |
|
|
Distanza 1’-0 |
|
|
Minima distanza 5’-0 |
|
|
Minima distanza 5" |
|
Esempio: Combinazione delle quote del gruppo di bulloni
Per effettuare la quotatura e la marcatura, Tekla Structures tratta i gruppi di bulloni posizionati vicini nella quotatura integrata come un unico gruppo in base al numero minimo di quote da combinare e al formato selezionato nella scheda Quote bulloni.
(1) Gruppo bulloni 1
(2) Gruppo bulloni 2
Esempio: offset esterno
Di seguito sono riportati alcuni esempi di come Tekla Structures posiziona le quote con impostati diversi valori di offset esterno nella scheda Generale.
| Impostazione offset esterno | Esempio |
|---|---|
|
Offset anteriore maggiore della quota 1’-8 nel gruppo fori. |
|
|
Offset anteriore impostato su un valore inferiore. |
|
Esempio: quote della griglia
(1) Opzione Totale selezionata
(2) Opzione Luce individuale selezionata
Esempio: distanza riconoscibile
Di seguito è riportato un esempio di come Tekla Structures utilizza l'impostazione Distanza riconoscibile nella quotatura integrata. Se è impostato il valore Distanza riconoscibile nella scheda Generale e l'asimmetria delle parti è inferiore alla distanza inserita, viene aggiunta una quota.
L'impostazione risulta attiva quando la quota Interno è impostata su Necessario. La quota della distanza riconoscibile non è necessaria se la parte può essere assemblata correttamente senza.
Un tipico esempio è un rettangolo la cui altezza è pressoché uguale alla lunghezza.
Esempio: lato preferito per le quote
È possibile impostare il lato quota preferito per parti e bulloni nella scheda Quote della parte e nella scheda Quote bulloni nella quotatura integrata. Negli esempi di seguito viene mostrato come le diverse impostazioni di Lato preferito per le dimensioni influiscono sull'aspetto delle quote delle parti.
Esempio: Quote armature
Di seguito sono riportati alcuni esempi di come Tekla Structures crea le quote per i gruppi di barre d'armatura nella quotatura integrata con diverse opzioni selezionate nella scheda Quote armature.
| Impostazione | Esempio |
|---|---|
|
Quote per gruppi di barre d'armatura è impostato su Si, nessuna etichetta di quota specificata nelle proprietà di quota. |
|
|
Quote per gruppi di barre d'armatura è impostato su Si, etichette di quota specificate nelle proprietà di quota. |
|
|
Quote per gruppi di barre d'armatura è impostato su Si, etichette di quota specificate nelle proprietà di quota, quote di chiusura aggiunte al bordo della parte nelle proprietà di quota (Bordo parte impostato su Sì). |
|










