Tekla Structures 2025 SP4

Tekla Structures
Modifié: 7 oct 2025
2025
Tekla Structures

Tekla Structures 2025 SP4

Le dernier Service Pack Tekla Structures et les programmes d’installation d’environnement mis à jour sont disponibles dans Trimble Downloads.

Tekla Structures 2025 SP4.1 remplace 2025 SP4

Tekla Structures 2025 SP4 a été rappelé en raison d'une erreur de régression critique (TTSD-72255). Cette erreur entraîne un rendu incorrect des profils par épure et peut conduire à des données inexactes dans le modèle.

Le correctif TTSD-70521 à l’origine du problème a été supprimé dans Tekla Structures 2025 SP4.1.

Le Service Pack 4.1 remplace le Service Pack 4 publié précédemment. Le Service Pack 4.1 est un programme d’installation complet, il n’est donc pas nécessaire d’installer le Service Pack précédent avant d’installer le Service Pack 4.1.

Télécharger Tekla Structures

Aperçu du repérage : nouveau tableau pour examiner individuellement les objets identiques

La boîte de dialogue Aperçu du repérage comporte désormais un nouveau tableau séparé dans lequel vous pouvez afficher, sélectionner et réviser des objets identiques traités de la même manière lors du repérage. Le nouveau tableau Objets individuels affiche tous les objets individuels que vous avez sélectionnés dans le tableau principal de la boîte de Aperçu du repérage dialogue.

L’affichage, la sélection et la révision individuels des objets sont utiles lorsque les objets ont des valeurs différentes pour des propriétés qui n’affectent pas le repérage, telles que l’attribut utilisateur Commentaire. Auparavant, seule la valeur Divers était affichée pour les propriétés d'objet dans le gabarit principal.

Vous pouvez utiliser les colonnes et les lignes du tableau Objets individuels de la même manière que dans le tableau principal de la Aperçu du repérage boîte de dialogue.

TTSD-69579

Editeur de mise en page dessin - Nouvelles boîtes de dialogue pour la définition des tailles et des marges des dessins

La boîte de dialogue Paramètres taille dessin vous permet désormais d’effectuer les opérations suivantes :

  • Ajoutez ou modifiez la taille des dessins à l’aide d’une boîte de dialogue dédiée. Cliquez avec le bouton droit de la souris sur une ligne de taille de dessin et sélectionnez Modifier pour ouvrir la boîte de dialogue, puis entrez les valeurs. Si nécessaire, sélectionnez Automatique. Auparavant, les modifications se limitaient à double-cliquer sur la zone Largeur ou Hauteur et à saisir de nouvelles valeurs.

  • Définissez les marges et les couleurs du cadre à l’aide d’une boîte de dialogue dédiée. Cliquez avec le bouton droit de la souris sur une ligne de cadre et sélectionnez Modifier pour ouvrir la boîte de dialogue, puis entrez les valeurs et sélectionnez la couleur. Auparavant, la définition des marges se limitait à double-cliquer sur les zones de marge et à saisir de nouvelles valeurs.

TTSD-71227, TTSD-50381

Améliorations du clonage

Placement des cotes

Tekla Structures est désormais plus précis dans le placement des points de cote. Auparavant, les points de cotation pouvaient parfois être placés en dehors des objets, ce qui permettait d’afficher les cotes sur des objets invisibles. Cette amélioration garantit que les points de cotation sont toujours placés uniquement sur les objets visibles.

Avant :

Après :

Les cotations générées automatiquement dans les dessins clonés, contrôlées par XS_INTELLIGENT_CLONING_ADD_DIMENSIONS, sont désormais placées à des distances optimales des objets cotés et des autres cotations.

Avant :

Après :

Placement de la vue

Pour garantir que les améliorations apportées au placement des vues sont appliquées, l’option avancée XS_DRAWING_UPDATE_VIEW_PLACING doit être définie sur TRUE.

Le placement des vues clonées a été amélioré pour les vues plus larges ou plus hautes que la feuille de dessin. Auparavant, ces vues ne bougeaient pas ; maintenant, elles sont ajustées pour s’adapter autant que possible à la feuille de dessin après avoir été clonées.

Tekla Structures place désormais intelligemment les vues dans les cadres de dessin des dessins clonés. Lorsque vous utilisez des gabarits (.tpl) pour les cadres de dessin, Tekla Structures essaie d’empêcher les vues de se chevaucher.

Avant :

Après :

Coupes et repères de section

Le comportement de la coupe lors du clonage a été amélioré pour les situations où un assemblage comporte de nouvelles pièces. Désormais, lorsque de nouvelles pièces sont détectées, la coupe tente de se redimensionner pour adapter les pièces à l’intérieur de la limite de la zone.

Avant :

Après :

Les repères de section indépendants qui ne sont associés à aucun objet pouvaient auparavant être placés assez loin des objets d’assemblage. Les repères de section indépendants sont désormais supprimés s’ils ne sont pas placés à proximité immédiate d’une pièce.

Avant :

Après :

TTSD-71091

Nouveau plans de fabrication Cloud IA (Version Preview)

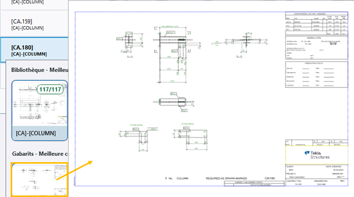
Améliorations apportées à l’option Colonne Créer à partir de

  • Désormais, la zone affichant la Bibliothèque - Meilleure correspondance et le gabarit - Meilleure correspondance ou les paramètres du gabarit présente de nouvelles couleurs et une nouvelle mise en page pour faciliter la lecture des informations.

  • Vous pouvez désormais afficher un aperçu plus grand du gabarit en survolant le petit aperçu du gabarit et ouvrir l’aperçu du gabarit dans la boîte de dialogue Propriétés de la bibliothèque de dessins en double-cliquant sur le petit aperçu du gabarit.

  • Lorsque vous cliquez Sélectionner un autre pour sélectionner une autre bibliothèque, les autres bibliothèques disponibles s’affichent sous Autres bibliothèques.

  • D’autres infobulles ont été ajoutées pour vous guider à travers la fonctionnalité.

TTSD-70637, TTSD-70123

Amélioration des résultats de clonage

Les résultats du clonage ont été améliorés pour les dessins créés à l’aide de la fonctionnalité AI Cloud Fabrication Drawings lorsque des dessins sources ont été téléchargés à partir de Tekla Structures 2025 SP2 ou plus récent dans une collection. Des éléments tels que la cotation, les repères et les coupes permettent d’obtenir de meilleurs résultats de clonage.

TTSD-70220

Nouveau message d’erreur lors de la sélection d’un gabarit dans une bibliothèque inactive

Nous avons amélioré le message d’erreur qui s’affiche lorsque vous essayez d’utiliser un modèle correspondant à partir d’une bibliothèque inactive, et le nouveau message est : "Bibliothèque inactive. Réactivez la bibliothèque et réessayez. Auparavant, le message indiquait simplement qu’une erreur s’était produite et que vous deviez sélectionner à nouveau pour réessayer.

TTSD-69553

Propriétés de la bibliothèque de dessins : Barre de défilement ajoutée à la liste de dessins

Dans la boîte de dialogue Propriétés de la bibliothèque de dessins, le texte de la dernière colonne du tableau de la liste des dessins n’était parfois que partiellement visible. Maintenant, une barre de défilement a été ajoutée, et vous pouvez afficher le texte entier.

TTSD-70860

Le tri fonctionne dans toutes les colonnes Contrôler la classification

Dans la boîte de dialogue Contrôler la classification, le tri fonctionne désormais également dans la colonne Bibliothèque attribuée.

TTSD-70849

Amélioration de la capacité de téléchargement de dessins à grande échelle

  • Le téléchargement simultané d’un grand nombre de dessins est plus fluide et génère moins d’erreurs.

    TTSD-70579

  • Lors du téléchargement d’un grand nombre de dessins, les dessins sont désormais traités de manière séquentielle et non simultanément. Si vous chargez plus de 500 dessins, le processus de chargement est divisé en plusieurs lots exécutés un par un. Chaque lot contient 500 dessins.

    Vous devez maintenant vérifier la classification des 500 premiers dessins avant de passer en revue le lot de dessins suivant. Les messages dans la file d’attente de traitement ont été modifiés pour refléter ce nouveau flux de travail. Dans l’ensemble, cette modification facilite l’expérience utilisateur lors du téléchargement simultané d’un grand nombre de dessins.

    TTSD-71636

Erreur lors de l’ajout d’objets dans la révision de création

Une erreur critique survenait parfois lors de l’ajout des objets du modèle sélectionnés dans la boîte de dialogue Contrôle de la création. Ce problème est maintenant résolu.

TTSD-70644

Correctifs

Apply
Numéro de défaut Zone de développement Description
TSAC-8217 Concrete components

Wall layout: Edge offsets and edge components no longer change position when contour points are added or removed.

TSAC-8263 Concrete components

Lifting anchor (80): In some rare cases, when the lifting anchor component was placed into a wall created with Wall layout, modifying the Wall layout caused the lifting anchors to be placed outside the wall. This issue has now been fixed.

TSAC-8283 Concrete components

Formwork placing tools - Walls: Nested components, such as Walers, are now added to the pour unit.

TSAC-8772 Concrete components

Wall layout: Previously, there was an issue that caused the creation of sandwich wall openings to be restricted to only one opening when Main part layer was not set to Default. The issue has now been fixed.

TSAC-8903 Concrete components

Sandwich wall window: The issue that caused window details to be created outside the window (in the component origin) has now been fixed.
 

TSAC-8953 Concrete components

Lifting anchor (80): Previously, placing anchors on the side faces sometimes caused the anchors to be placed and dimensioned incorrectly. This issue has now been fixed.

TSAC-9192 Concrete components

Edge and corner reinforcement (62): Stirrups are now created properly in the space smaller than the U bar dimensions between openings. Previously, the stirrups were completely omitted in this situation.

TSAC-9330 Concrete components

Embedded anchors (8): Previously, lifters in sandwich walls were sometimes placed inside the walls when there were many smaller objects in the assembly. This issue has now been fixed.

TSAC-9355 Concrete components

Reinforced concrete stair (95): Previously, when you selected the Start point position to be on the upper baseline, for stair shapes without the bottom overhang, the start point was not determined correctly. This issue has now been fixed.
 

TSAC-9392 Concrete components

Edge and corner reinforcement (62): Previously, when U bars were split by stirrup creation, the spacing of bars was not correct, or the spacing was completely missing when the Creation method was set to Equal distribution by number of reinforcing bars, and the start offset distance was either zero or it was too excessive. This issue has now been fixed.

TSAC-9398 Concrete components

Embedded anchors (008): On the Input tab, there is a new Up direction option, Global Z, that places anchors in the global Z axis and also guarantees the global orientation of the result assembly.

TSAC-9404 Concrete components

Floor layout: On the General tab, there is now a new setting Create half a slab to fill the whole area to define the slab panel distribution. If there is an empty area between the last standard slab and the edge of the slab area, you can use this setting to create a slab that fills this empty area. To do this, select the value Yes. This setting overrides the minimum slab width setting on the Advanced tab.

TSAC-9407 Concrete components

Wall layout: Previously, modifying the wall layout by loading different settings files multiple times could cause Wall layout to stop working. This issue has now been fixed.
 

TSAC-9419 Concrete components

Concrete console (110): Previously, the column cut offset was not correct when the beams were inclined. This issue has now been fixed.

TSAC-9462 Concrete components

Wall layout: Previously, when wall layout layers were edited and a new wall layout created, another wall was also created. This issue has now been fixed.

TSAC-9129 Steel components

Welded beam to beam (123): Previously, weld 4 was created in an incorrect position in some situations. This issue has now been fixed.
 

TSAC-9143 Steel components

Welded beam to beam (123): Previously, weld 3 preparations were created with incorrect sizes in some situations. This issue has now been fixed.
 

TSAC-9144 Steel components

Welded beam to beam (123): Previously, weld 7 was created in an incorrect position in some situations. This issue has now been fixed.
 

TSAC-9252 Steel components

Shear plate tube column (189): Previously, the cut around the shear tab was created with an incorrect size when only one secondary part was selected. This issue has now been fixed.

TSAC-9289 Steel components

Previously, when the End plate (29), Seating (39), or Joining plates (14) component was placed on sloped parts, some welds were incorrectly moved from the flange to the web. This issue has now been fixed.

TSAC-9356 Steel components

Column with stiffeners (186): Previously, when the main part was made of plates, there was an offset between the main part and tab plate. This issue has now been fixed.

TSAC-9383 Steel components

Welded column with stiffeners (128): Previously, weld 4 preparation cuts were created incorrectly. This issue has now been fixed.

TSAC-9390 Steel components

Stiffened end plate (27), Partial stiff end plate (65): Previously, the default width of the front plate was calculated incorrectly. This issue has now been fixed.

TSAC-9396 Steel components

Bolted gusset (11): Previously, an incorrect numbering prefix and start number was assigned to one of the seal plates. This issue has now been fixed.

TSAC-9408 Steel components

Seating (30): Previously, deleting some bolts caused the main part stiffeners to have an incorrect height. This issue has now been fixed.

TSAC-9413 Steel components

Welded to top flange (149): Previously, when the stiffener height was determined by shear tab height, the final stiffener height was incorrect. This issue has now been fixed.

TSAC-9436 Steel components

Column seating (39): Previously, some welds were created incorrectly when the secondary part was sloped. This issue has now been fixed.

TSAC-9441 Steel components

Weld preparation (44): Previously, weld preparation cuts were incorrectly created for C and U profiles. This issue has now been fixed.
 

TSAC-9456 Steel components

Two sided end plate (24), Two sided end plate - Cfl (112), Two sided end plate (115): Previously, bolt edge distances were not correctly applied in the components. This issue has now been fixed.

TSAC-9483 Steel components

Z pan (S74): Previously, the horizontal bracket was created with an incorrect length in some situations. This issue has now been fixed.
 

TSAC-9484 Steel components

Column with stiffeners S (187): Previously, some tab plate chamfers were not correctly created. This issue has now been fixed.
 

TSAC-9506 Steel components

U.S. Base plate (1047): Previously, custom component type connections were not correctly created in some cases. This issue has now been fixed.

TSAC-9512 Steel components

Welded shear plate (43): Previously, stiffener part properties - name, material, numbering prefix, and start number - were incorrectly applied. This issue has now been fixed.

TTSD-54390 Import, export, interoperability

Import and export between Tekla Structures and Tekla Structural Designer: The cold-formed section mapping for Finland, Norway and Sweden is now added for the sections available in Tekla Structures.

TTSD-69091 Import, export, interoperability

Import from Tekla Structural Designer: Previously, when importing a Tekla Structural Designer model with US Imperial unit settings into Tekla Structures, the dimensions in the Model Comparison Tool appeared in metric units. This issue has now been fixed.

TTSD-69503 Import, export, interoperability

IFC4 export: The compatibility of IFC4 export with IFC2x3 export has been improved for building hierarchy templates.

TTSD-70692 Import, export, interoperability

IFC2x3 export: Exporting the rebar attribute NominalDiameter is now using nominal diameter from environment instead of actual diameter.

TTSD-71129 Import, export, interoperability

Import from Tekla Structural Designer: Previously, in some cases, imported wall panels did not split correctly into separate objects. This issue has now been fixed.

TTSD-71457 Import, export, interoperability

DSTV/NC: Earlier, when exporting a plate with countersunk bolts being on the back plane and using XS_DSTV_WRITE_BEHIND_FACE_FOR_PLATE=TRUE, the AK block corresponding to the back plane was created incorrectly. This issue has now been fixed.

TPLED-377 Templates and reports

Template Editor: The int() function failed to convert a decimal number when it was presented as a string. This issue has now been fixed.

TPLED-380 Templates and reports

Template Editor: Substring subtraction from the end of another string in formulas did not work correctly. For example,  for COLUMN the output was MN instead of COLU. This issue has now been fixed.

TPLED-381 Templates and reports

Template Editor: Multiline value field output had overlapping lines when the value field was output at an angle. This issue has now been fixed.

TPLED-383 Templates and reports

Previously, the horizontal table output had overlapping rows when the template had rows with different heights. This issue has now been fixed.

TPLED-384 Templates and reports

Previously, the negative index did not work with setat() to count the position from the end of the string. This issue has now been fixed.

TPLED-386 Templates and reports

Previously, sometimes the Sum() function did not output the correct value in a table. This issue has now been fixed.

TTSD-70303 Templates and reports

Drawing templates: The rebar schedule template now works as expected when working with rebar sets containing splitters.

TTSD-70731 Templates and reports

Template Editor: Sometimes the value field length was calculated incorrectly indicating that the length would go outside the component boundaries. This issue has now been fixed.

TTSD-70925 Templates and reports

Previously, in reports, the length and weight of circular spiral reinforcing bars were correct on REBAR rows but not on SINGLE_REBAR rows. This issue has now been fixed.

TTSD-71223 Templates and reports

Previously, text lines overlapped when a multiline value field was rotated. This issue has now been fixed.

TTSD-71282 Templates and reports

Template Editor: The Output 0 as an empty string setting for a template works again.

TTSD-71466 Templates and reports

Template Editor: The report output line change was done with Unix type (LF) and not as before with Windows type (LF+CR). This has now been fixed, and Windows type (LF+CR) is used again.

TTSD-71716 Templates and reports

Previously, pictures did not appear when the fvf() function was used in the Picture rule. This issue has now been fixed.

TTSD-71956 Templates and reports

Previously, the justification was always Left in multiline value fields. This issue has now been fixed.

TTSD-71961 Templates and reports

Previously, the symbol size was incorrect when the symbol was rotated. This issue has now been fixed.

TTSD-59235 Drawings

Previously, the view label editor in the property pane did not display the same view label as the one in the drawing. Now, when modifying view properties, the view label editor automatically corrects any properties that have not been correctly defined due to inconsistencies in the environment property files.

TTSD-67068 Drawings


The property pane visual editor now allows for multi-item drag and drop. When dragging items from different rows, the editor automatically organizes them into a single row, maintaining a clear order from top to bottom and left to right.

TTSD-68474 Drawings

Previously, in GA drawings, the reference object list in the view properties sometimes showed objects from previous models if you had opened many models during the same Tekla Structures session. This issue has now been fixed.

TTSD-70035 Drawings

Rebar dimension marks are now more stable when the drawing is updated. Previously, rebar dimension marks could move when a drawing was updated.

TTSD-70584,TTSD-68609 Drawings

Previously, when you moved the selected drawing views, the drawing layout was unintentionally moved as well. This issue has now been fixed.

TTSD-70639 Drawings

Earlier, when you dragged a merged part mark with the Shift key held down, the mark was disconnected from the associated part. This issue has now been fixed.

TTSD-70642 Drawings

Earlier, after deleting a merged weld mark, it was not possible to recreate single weld marks for the same parts. This issue has now been fixed.

TTSD-70652 Drawings

Earlier, when using the HOLE.DIAMETER_X and HOLE.DIAMETER_Y elements in bolt marks, slotted hole dimensions were sometimes shown incorrectly in multi-drawings. This issue has now been fixed.

TTSD-70944 Drawings

Previously, symbols were not placed in the correct position in drawings when the symbol position was set to be off origo. This issue has now been fixed.

TTSD-71070 Drawings

The symbol color used in a template is now shown correctly in the drawing.

TTSD-71088 Drawings

Drawing cloning: Cloned drawings could sometimes get visual artifacts that could not be selected or clicked. This issue has now been fixed.

TTSD-71130 Drawings

Drawing cloning: Cloning of circles in drawings now works more reliably.

TTSD-71464 Drawings

Previously, some colors in DWG and DXF files imported to drawings did not match the original DWG colors. This has now been improved.

TTSD-71530 Drawings

Earlier, when hiding a part from a drawing or a drawing view, the own hidden lines of the part were not hidden. This issue has now been fixed.

TTSD-71851 Drawings

The arcs in DWG files imported to drawings are now drawn better.

TSAC-9345 Reinforcement

Auto splitter: Issues with splicing symmetry options and rounding lengths have been fixed.

TTSD-71018 Reinforcement

In Rebar shape manager, you can now save rebar bending shapes and rules in RebarShapeRules.xml files even when the model name or folder path contains non-ASCII characters.

TTSD-71019 Reinforcement

Rebar sets: You can now add hooks to curved longitudinal bars where the hook is perpendicular to the bar plane.

TTSD-69084, TTSD-69145, TTSD-69714, TTSD-69727, TTSD-69799, TTSD-70253, TTSD-71733, TTSD-70591, TTSD-71844 Modeling

The following improvements and fixes have been released to Live Collaboration:

  • The session stability with large models has been improved. Tekla Structures should no longer freeze when a Tekla Structures user shares a large model in a Live Collaboration session and a Trimble Connect user uses the Reset model command within the same session.
  • When using a Tekla Model Sharing model in Live Collaboration, you can select which changes to share:
    • You can share the full model as before.
    • You can share a partial model that contains all local changes since your last write out. These changes are labeled as "Changed by 'Your Name' Model name 'ModelName'". Local modifications are highlighted for easy identification: orange for added and modified elements and red for deleted elements. 

      For the highlighting to work reliably, ensure that you have set the frequency for the model upload to Write out in File > Trimble Connect > Upload Model Settings > Upload

    • You can also choose to share both the full model and your local changes.
  • The reliability and usage of temporary states (including color, visibility, and hide/show options) for increments within Live Collaboration sessions have been improved. This ensures a smoother and more consistent experience during collaborative work.
  • You can now share empty models, which makes the initial setup and collaboration on new projects easier.
  • The Show/Hide functionality for models now also applies to your own models. This offers more control over visibility.
    • For full models, Hide makes all objects transparent (similar to Ctrl+5), and Show makes them fully visible (similar to Ctrl+4).
    • For Tekla Model Sharing models, using Hide for local changes makes the model invisible, and Show makes it visible.
  • You can now better control which models you share (full model or local changes) in each Live Collaboration session you join. Models are no longer automatically shared across all future sessions; instead, you need to click the Share button in each new session. This gives more control over what you share with other users.
  • Selecting objects in increments is now possible, and they are colored accordingly in other users' sessions. This provides clearer visual feedback during collaborative work.
  • When you are in presentation mode in Trimble Connect and click on something, a target icon appears for all Tekla Structures users who are following the presenter. This adds more visual guidance during presentations.
TTSD-69773 Modeling

When you use the Diagnose & repair > Repair library database (xslib) command from the File menu, the report now shows an extra column that provides information about the component name to help users locate the issue.

Additionally, now the name of each illegal profile is also reported. Previously, the report only showed Illegal profile without the name in the Inconsistency column.

TTSD-70158 Modeling

Batch editor now handles components, such as Double wall details, better than previously.

TTSD-71359 Modeling

Previously, there was a problem in handling incorrect assemblies, which caused Tekla Structures to stop working unexpectedly when diagnosing, repairing, or performing other actions on the model. 

This was caused by an assembly that was poorly defined and self-referencing. Now, the inconsistency is identified by the Diagnose model command and fixed by the Repair model command, which deletes the assembly.

TTSD-71395 Modeling

When you add content to your Tekla Warehouse collections, the new profile catalog is recognized. The catalog structure, groups, and profiles are visible when adding files from Tekla Structures.

TTSD-71515 Modeling

You can upload selected content from the new profile catalog to your Tekla Warehouse collections. When adding files from Tekla Structures, the selected groups and profiles are uploaded.

TTSD-71516 Modeling

When you insert content from Tekla Warehouse into a model, content from the new profile catalog is added to Tekla Structures.

TTSD-72045 Tools and components

The issue with the loading of some dimensioning plug-ins has now been resolved.

TTSD-69758 Import, export, interoperability (steel)

STEP/IGES export: Previously, the export failed to finish the conversion if the model folder path or file name contained special characters. This issue has now been fixed. 

TTSD-70245 Import, export, interoperability (steel)

STEP/IGES export: Previously, the export failed to finish the conversion if the model folder path or file name contained special characters. This issue has now been fixed. 

TTSD-71000 Import, export, interoperability (steel)

DSTV/NC export: Previously, when you exported polybeams with bolts and included pop-marks, the KA block was created incorrectly. This issue has now been fixed.

TTSD-71687 Import, export, interoperability (steel)

Previously, due to the use of numeric values for abbreviations by fabricators, some valid profiles were incorrectly showing as invalid in Tekla Structures. This issue has now been fixed.

TTSD-71735 Import, export, interoperability (steel)

STEP/IGES export: Previously, the export failed to finish the conversion if the model folder path or name was very long. This issue has now been fixed.

TTSD-71799 Import, export, interoperability (steel)

STEP/IGES export: Previously, the export failed to finish the conversion if the model folder path or file name contained special characters. This issue has now been fixed.

TSAC-8658-2025SP4 Import, export, interoperability (concrete)

Export ELiPLAN file (68): The location of the Include sub-materials setting on the Data settings tab was incorrect and it was covering the box where you enter  the name of the template attribute, when Template has been selected for the Weight calculation setting. This issue has now been fixed.

TSAC-9388 Import, export, interoperability (concrete)

BVBS export: The parameters n (number of spiral turns) and g (length) were swapped in the export file for spiral geometries. This issue has now been fixed.

TSAC-9516 Import, export, interoperability (concrete)

Export Unitechnik (79): Previously, adding formwork to the edge of a double wall could lead to incorrect geometry. This issue has now been fixed.

Cela a-t-il été utile?
Soumettre
Précédent
Suivant