ASSEMBLY_POSITION_CODE
Ceci est un attribut de gabarit. Les attributs de gabarit peuvent servir à filtrer ou à extraire des données du modèle à utiliser dans les dessins et les listes. Par exemple, lorsque vous créez une liste, Tekla Structures remplace les attributs ajoutés dans le gabarit de liste par les valeurs de propriété d’objet correspondantes.
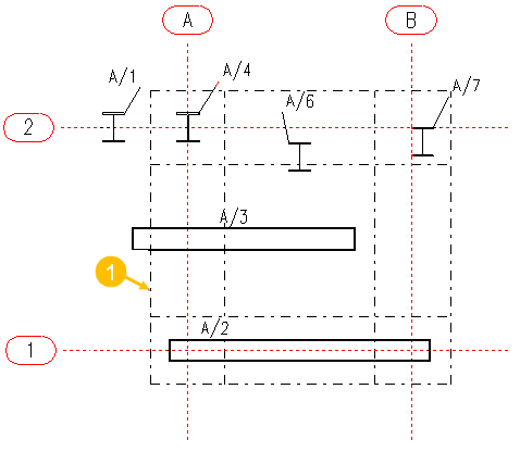
Cet attribut de gabarit affiche le code de position de l'assemblage. Ce code identifie sa position sur le maillage. La position des objets est calculée en fonction du maillage le plus proche.
|
Assemblage |
Code |
|---|---|
|
A/1 |
<A/2 |
|
A/2 |
A-B/1 |
|
A/3 |
<A-B/1-2 |
|
A/4 |
A/2 |
|
A/6 |
A-B/1-2 |
|
A/7 |
B/2 |

(1) LIGNE DE TOLERANCE
Le code de position se compose des titres de lignes de maillage dans les directions x et y (éventuellement dans la direction z). Si un assemblage commence ou se termine en dehors de la première ou de la dernière ligne de maillage, un caractère < ou > est inclus dans le code de position. Par exemple, si un assemblage commence en dehors de la ligne de maillage A, ce champ indique :
<A/2
Si un assemblage est entièrement à l'intérieur d'une distance de tolérance (500 mm par défaut) de la ligne de maillage A, le code de position est le titre de cette ligne de maillage : A.
Si l'assemblage se trouve partiellement ou entièrement en dehors de la distance de tolérance, le code est une combinaison des titres de maillage : A-B.
Pour modifier la distance de tolérance par défaut, définissez l'option avancée XS_ASSEMBLY_POSITION_CODE_TOLERANCE=750, par exemple.
Pour inclure l'orientation Z dans le code, définissez l'option avancée XS_ASSEMBLY_POSITION_CODE_3D sur TRUE. Le code ressemblerait alors à : <A-B/1-2/1-+1000
Tekla Structures sélectionne le maillage à utiliser de la façon suivante :
-
Tekla Structures vérifie l’emplacement de l'assemblage.
-
S’il se trouve à l'intérieur de plusieurs maillages, Tekla Structures vérifie si l'assemblage est parallèle aux lignes de maillage ou au plan.
-
S’il existe plusieurs maillages parallèles, Tekla Structures sélectionne le plus proche.