Protection dans les dessins

Tekla Structures Dessin protection repère
Not version-specific
Tekla Structures
Environment
Not environment-specific

Généralités

 

Lors de la création ou de la mise à jour des dessins, Tekla Structures peut gérer l'emplacement de certains éléments graphiques automatiquement. Il s'agit des repères (y compris les symboles de soudures) et des cotations. De façon à rendre les dessins lisibles, il est possible d'empêcher le logiciel d'écrire à certains endroits du dessin. C'est cette opération que l'on nomme protection. 

Cet article ne concerne que les éléments graphiques dont la position est définie par Tekla Structures. Il faut donc que le paramètre "Position" soit réglé sur "Libre".

Image
fra_article_protections_in_drawings_001.png


Il est à noter que depuis Tekla Structures 14.0, les éléments graphiques déplacés prennent (par défaut) automatiquement l'attribut "Fixe". Ils ne sont donc plus affectés par le paramétrage de protection. De plus, les types de repères n'utilisant pas de trait de rappel (le long de la pièce ou dans la pièce) ne sont pas affectés par ce paramétrage.

Paramétrage

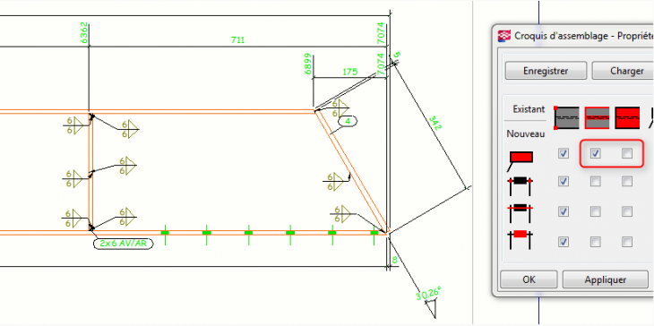
Le paramétrage de la protection se fait au niveau du dessin. On y accède en utilisant le bouton "Protection" qui se trouve dans les boîtes de dialogue d'attributs de plans d'ensemble, croquis de débit, d'assemblage et d'élément béton. Le bouton n'existe pas dans les attributs de vues de dessin (l'option n'est pas disponible à ce niveau).

Lorsque l'on clique sur le bouton, un nouveau dialogue est affiché.

Image
fra_article_protections_in_drawings_002.png

Sur l'axe horizontal sont figurés les éléments présents dans le dessin ("Existant"), soit dans l'ordre de gauche à droite:
  • Les angles de contour de pièces.
  • Les arêtes des contours de pièces.
  • Les surfaces des pièces.
  • Les repères (ou notes associatives).
  • Les points d'intersection entre lignes de cotes et traits de rappel.
  • Les lignes de cotes.
  • Les textes des cotes.
  • Les symboles des sections.
  • Les textes des sections.
  • Les traits de rappel des soudures.
  • Les symboles de soudures.
Sur l'axe vertical sont figurés les éléments à créer par Tekla Structures ("Nouveau"), soit dans l'ordre de haut en bas:
  • Les repères (ou symboles de soudure).
  • Les cotes (vérification du point d'intersection entre la ligne et le trait de rappel).
  • Les cotes (vérification de la ligne).
  • Les cotes (vérification du texte).

La case à cocher au droit d'un élément existant et d'un élément nouveau indique s'il y a protection ou non. Si la case est cochée, la protection est activée. Si la case n'est pas cochée, la protection n'est pas activée, l'écriture est donc possible.

Dans l'exemple ci-dessous, Tekla Structures peut créer des repères sur la surface de la pièce, mais pas sur les arêtes des pièces.

Image
fra_article_protections_in_drawings_003.png

 
Dans l'exemple ci-dessous, Tekla Structures ne peut pas créer des repères sur la surface de la pièce.

Image
fra_article_protections_in_drawings_004.png

 

A noter: pour passer du premier au deuxième exemple, il a suffi de cocher la troisième case de la première ligne, puis de faire "Modifier". Par contre, pour revenir au premier exemple, il n'est pas suffisant de décocher la case et de faire "Modifier". En effet, le programme ne déplace des éléments que s'ils sont écrits sur des éléments protégés, ce qui ne serait pas le cas.
Il faut donc relancer le processus des mis en place des éléments automatiques en sélectionnant les objets concernés, puis Vue -> Arranger les objets du dessin (place libre) -> Ignorer emplacements actuels (l'option Emplacements proches est inefficace dans ce cas, car elle ne déplace les objets que si cela est nécessaire).

Il n'est pas nécessaire de cocher les cases de la première colonne si on a coché celles de la deuxième colonne, car la protection des angles est incluse dans celle des arêtes.

Variables complémentaires

Les variables suivantes ont une influence sur la protection:

XS_PROTECT_SYMBOLS
Permet de spécifier si les symboles graphiques sont protégés ou non. Si la variable n'est pas activée (par défaut), les symboles  ne sont pas protégés 

XS_USE_CONVEX_PROTECT_AREA
Permet de spécifier comment doivent être traités les contours convexes. Si la variable n'est pas activée, les portions "rentrantes" sont ignorées. Cette variable est utilisée lorsque l'on protège la surface des pièces.

Image
fra_article_protections_in_drawings_005.png

XS_CHANGE_DRAGGED_DIMENSIONS_TO_FIXED
XS_CHANGE_DRAGGED_MARKS_TO_FIXED
XS_CHANGE_DRAGGED_NOTES_TO_FIXED
XS_CHANGE_DRAGGED_TEXTS_TO_FIXED
XS_CHANGE_DRAGGED_VIEWS_TO_FIXED

Variables permettant de basculer le statut des objets graphiques déplacés à "Fixe". Ces variables sont activées par défaut. Elles concernent dans l'ordre: Cotations, Repères, Notes associatives, Textes et les vues graphiques.

Cela a-t-il été utile?