Add automatic view-level dimensions using Integrated dimensioning type
In the Dimensioning dialog, you can control what gets dimensioned and how in a drawing. You can experiment with different combinations of options to achieve different kinds of dimensioning effects.
Add dimensions using Integrated dimensioning type
Group identical objects to the same dimension line
You can group identical parts, bolts, components, and cuts or shapes to the same dimension line in integrated dimensioning. You also have the option to include automatic dimension tags to grouped dimensions.
- In the Dimensioning Properties dialog, go to the Dimension grouping tab.
- In Activate dimension grouping, select the objects that you want to group.
- Highlight a row (Parts, Bolts, Components or Cuts/Shapes in the Activate dimension grouping list and select the elements by which you define the identical conditions in grouping properties.
- In Automatic tagging, select the appropriate options to include automatic dimension tags.
- If you want Tekla Structures to update dimension grouping automatically, set the option Update grouping when model changes to Yes.
- Click OK.

You can change the dimension tag contents in the opened drawing and include some more elements in the tag.
Add elevation dimensions
You can add elevation dimensions (level marks) in your drawings for the start and end points of parts in integrated dimensioning. Tekla Structures dimensions elevations relative to a reference point, which you can change.
For example, if the elevation is 5000 mm, and you set the reference point to 200, the elevation changes to 4800 mm. You can also change the elevation dimension prefix, which in the English version is EL by default.
You can also add level marks manually.
To change the reference point and create elevation dimensions using another prefix:
Shortening value added in the user-defined properties of a part affects also elevation dimensions.
Example

Limitations
Tekla Structures creates elevation dimensions for skew parts only if the parts are in the same position in the drawing as they are in the model. This means that the coordinate system must be set to model.
If you are using local, oriented, or brace coordinate systems, Tekla Structures does not draw the elevation dimensions for skewed parts
by default. If you want to create elevation dimensions, set the advanced option
XS_DRAW_SKEWED_ELEVATIONS
to TRUE in
. See below for an example of an elevation dimension for a
skewed part.

For more information about part orientation, see Define part orientation in drawing views.
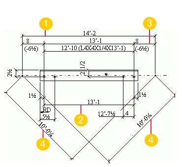
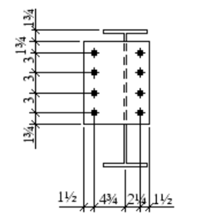
Create check dimensions
In integrated dimensioning, you can create additional dimensions, check dimensions, to check the accuracy of dimensions. Check dimensions are usually in thinner text than other dimensions. They are not required for fabrication or erection, and they are mainly used for checking detailing, not for assembling parts.
Tekla Structures uses work points to create check dimensions. Work points can be either the points between which the part was originally created, or the intersection point of the reference lines of the parts. The reference line location depends on the part position At depth set in part properties. If it is Middle, the reference line is the center line, if it is Front, the line is located in the part front edge, etc.
Knock-off dimension is a special type of check dimension that dimensions the distance from work points to the end of the part.
See the table under the images for instructions on how to create the described dimensions.
Check dimensions:

Knock-off dimensions:
| To | Do this |
|---|---|
|
Create check dimensions between outermost work points (number (1) in the image above) |
In the Dimensioning dialog, click and set Main part work points to Yes. |
|
Create check dimensions between outermost bolts (number (2) in the image above) |
In the Dimensioning dialog, click and set Extreme bolts to Assembly or Main part. |
|
Create check dimensions from outermost work point to first bolt (number (3) in the image above) |
In the Dimensioning dialog, click and set Extreme bolts to Assembly or Main part and Extreme bolts to work points to Yes. |
|
Create horizontal and vertical check dimensions between the work points in a skewed brace (number (4) in the image above |
In the Dimensioning dialog, click Position dimensions and set Main part skew position to Yes. |
|
Create check dimensions between the work points, such as the intersections of main and neighbor part reference lines |
In the Dimensioning dialog, click Position dimensions and set Position bolts to or Position parts to Working points or Both. |
|
Create check dimensions to the bolt hole locations in the main part |
In the Dimensioning dialog, click Position dimensions and set Main part bolt position to On. |
|
Create knock-off dimensions (number (5) in the image above) |
In the Dimensioning dialog, click Part dimensions and set Knock-off dimensions to On. |
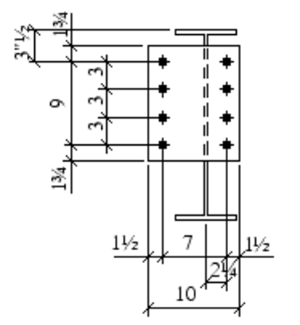
Example: Part dimensioning
Here are some examples of what the part dimensions look like in integrated dimensioning with different settings selected on the Part dimensions tab.
| Dimensioning setting | Example |
|---|---|
|
Internal dimensions set to None |
|
|
Internal dimensions set to All. |
|
|
Overall dimensions |
|
|
Main part shape (Shape dimensions) set to On. |
|
|
Bevel dimensions set to On. |
|
|
Bevel angle set to Angle of cut. |
|
|
Bevel angle set to Angle of beam. |
|
Weld preparation bevels and grooves are not dimensioned in drawings. Bevels and grooves are dimensioned only if they have been modeled using cut commands.
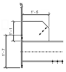
Example: Position dimensioning
Here are some examples of what the position dimensions look like in integrated dimensoning with different settings selected on the Position dimensions tab.
| Dimensioning setting | Example |
|
Position parts to is set to None. |
|
|
Position parts to is set to Main part. |
|
|
Position bolts to is set to Working points. |
|
|
Secondary part is dimensioned By bolt. |
|
|
Secondary part is dimensioned By part. |
|
|
Secondary part is dimensioned By both. |
|
|
Secondary part is dimensioned By bolt. Secondary part dimension direction is Neighbor part. Position from is set to Work point. |
(1) Running dimensions start from the intersection of the main and secondary part (=work point) (2) Dimensions are aligned with the neighboring part |
|
Main part bolt position is set to Off. (Main part bolt internal dimensions is set to Internal on the Bolt dimensions tab.) |
|
|
Main part bolt position is set to On. (Main part bolt internal dimensions is set to Internal on the Bolt dimensions tab.) |
By default, create minimum and maximum position dimensions are not created for bolts. For information on how to create these dimensions, see Add minimum and maximum position dimensions to bolts. |
|
Main part skew position is set to Yes. |
|
|
Skew position is set to angle. |
|
|
Centered part is set to Internal. |
|
|
Centered part is set to Position. |
|
|
Centered bolt is set to Internal. |
|
|
Centered bolt is set to Position. |
|
Example: Closing dimension
Here are some examples of how Tekla Structures creates dimensions in integrated dimensioning with different options selected in the Close dimensions area on the General tab.
| Closing option | Example |
|---|---|
|
Close dimensions is set to No. |
|
|
Close dimensions is set to All. |
|
|
Short dimensions is set to No. |
|
Example: Combine dimensions
Here are some examples of how Tekla Structures combines dimensions in integrated dimensioning with different options selected on the General tab.
|
Combining option |
Example |
|---|---|
|
Option No prevents dimensions from being combined. |
|
|
Option 1 combines part position dimensions with part internal dimensions, and bolt group internal dimensions with bolt edge distances. Bolt position dimensions are not combined with bolt internal dimensions. |
|
|
Option 2 combines the part position dimension with part internal dimensions and bolt group internal dimensions. Bolt internal dimensions are combined with bolt position dimensions. Edge distances are shown separately. |
|
|
Option 3 combines bolt internal dimensions and position dimensions in the same dimension line. |
|
|
Option 4 combines bolt group position dimensions with part position dimensions. Part and bolt internal dimensions are not combined with this option, but bolt internal dimensions are combined with bolt edge distances. |
|
|
Option 5 combines internal dimensions and the position dimension of bolt groups where there are several bolt groups. |
|
|
Option 4.5 uses a combination of option 5 for the main part and option 4 for the secondary parts. |
|
|
Distance 5’-0 |
|
|
Distance 1’-0 |
|
|
Min distance 5’-0 |
|
|
Min distance 5" |
|
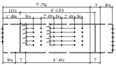
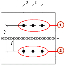
Example: Combine bolt group dimensions
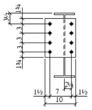
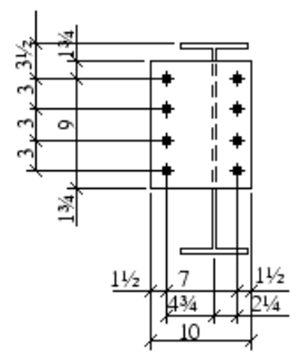
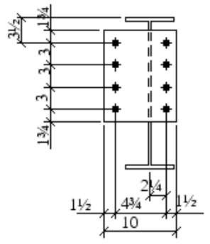
For dimensioning and marking purposes, Tekla Structures treats bolt groups located close together in integrated dimensioning as one group on the basis of the minimum number of dimensions to combine and format selected on the Bolt dimensions tab.
(1) Bolt group 1
(2) Bolt group 2
Example: Forward offset
Here are some examples of how Tekla Structures places dimensions in integrated dimensioning with different forward offset values set on the General tab.
| Forward offset setting | Example |
|---|---|
|
Forward offset greater than the 1’-8 dimension to the hole group. |
|
|
Forward offset set to a smaller value. |
|
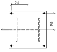
Example: Grid dimensions
(1) Option Overall selected
(2) Option Individual spans selected
Example: Recognizable distance
Here is an example of how Tekla Structures uses the Recognizable distance setting in integrated dimensioning. If you set value for Recognizable distance on the General tab, and the asymmetry of the parts is smaller than the distance you entered, a dimension is added.
This setting is used, when the Internal dimension is set to Necessary. Recognizable distance dimension is not necessarily needed if the part can be assembled correctly without it.
A typical example is a rectangle that is almost as long as it is wide.
Example: Preferred dimension side
You can set the preferred dimension side for parts and bolts on the Part dimensions tab and Bolt dimensions tab in integrated dimensioning. The examples below show how the different settings for Preferred dim side look like for part dimensions.
Example: Reinforcement dimensions
Here are some examples of how Tekla Structures creates dimensions for reinforcing bar groups in integrated dimensioning with different options selected on the Reinforcement dimensions tab.
| Setting | Example |
|---|---|
|
Dimensions for reinforcing bar groups is set to On, no dimension tags specified in dimension properties. |
|
|
Dimensions for reinforcing bar groups is set to On, dimension tags specified in dimension properties. |
|
|
Dimensions for reinforcing bar groups is set to On, dimension tags specified in dimension properties, closing dimensions added to the edge of the part in dimension properties (Part edge set to Yes). |
|










