Adición de las dimensiones de nivel de vista automáticas usando el tipo de dimensionamiento integrado
El cuadro de diálogo Dimensionamiento permite controlar los elementos de un dibujo que se dimensionan y cómo se realiza el dimensionamiento. Puede experimentar con las distintas combinaciones de opciones para obtener distintos tipos de efectos de dimensionamiento.
Añadir dimensiones utilizando el tipo de dimensionamiento integrado
Agrupar objetos idénticos en la misma línea de dimensión
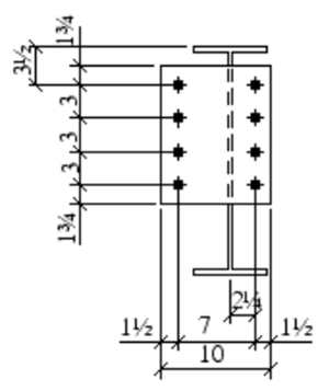
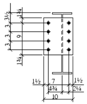
Puede agrupar partes, tornillos, componentes y cortes o formas idénticos en la misma línea de dimensión en el dimensionamiento integrado. También existe la posibilidad de incluir etiquetas de dimensión automáticas en las dimensiones agrupadas.
- En el cuadro de diálogo Propiedades Dimensión, vaya a la pestaña Agrupación dimensión.
- En Activar agrupación dimensión, seleccione los objetos que desee agrupar.
- Resalte una fila (Partes, Tornillos, Componentes o Cortes/Formas en la lista Activar agrupación dimensión y seleccione los elementos que desee utilizar para definir condiciones idénticas en Propiedades agrupación.
- En Etiquetas automáticas, seleccione las opciones adecuadas para incluir etiquetas de dimensión automáticas.
- Si desea que Tekla Structures actualice automáticamente la agrupación de dimensiones, defina la opción Actualizar agrupación cuando cambia el modelo como Sí.
- Haga clic en OK.

Puede cambiar el contenido de la etiqueta de dimensión en el dibujo abierto e incluir algunos elementos más en la etiqueta.
Añadir dimensiones de elevación
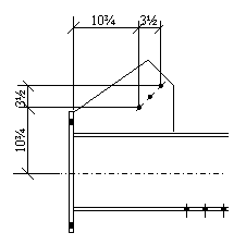
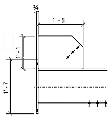
Puede añadir dimensiones de elevación (indicaciones o marcas de nivel) en los dibujos para los puntos iniciales y finales de las partes en el dimensionamiento integrado. Tekla Structures dimensiona las elevaciones en relación a un punto de referencia, que se puede cambiar.
Por ejemplo, si la elevación es de 5000 mm y define el punto de referencia en 200, la elevación cambia a 4800 mm. El prefijo de dimensión de elevación también se puede cambiar (por defecto es EL).
También puede añadir marcas de nivel manualmente.
Para cambiar el punto de referencia y crear dimensiones de elevación con otro prefijo:
El valor de reducción añadido en las propiedades definidas por el usuario de una parte también afecta a las dimensiones de elevación.
Ejemplo

Limitaciones
Tekla Structures solamente crea las dimensiones de elevación de partes sesgadas si dichas partes están en el dibujo en la misma posición que en el modelo (el sistema de coordenadas debe ajustarse al del modelo). Esto significa que el sistema de coordenadas se debe establecer en modelo.
Si está utilizando un sistema de coordenadas local, orientado o de arriostramiento, por defecto, Tekla Structures no dibujará las dimensiones de elevación para las partes sesgadas. Si desea crear dimensiones de elevación, defina la opción avanzada XS_DRAW_SKEWED_ELEVATIONS como TRUE en . A continuación se muestra un ejemplo de una dimensión de elevación de una parte sesgada.

Para obtener más información sobre la orientación de parte, consulte Definir orientación de parte en vistas de dibujo.
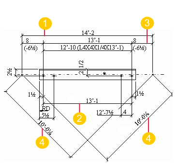
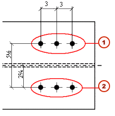
Crear dimensiones de verificación
En el dimensionamiento integrado, puede crear dimensiones adicionales, dimensiones de verificación, para verificar la precisión de las dimensiones. Las dimensiones de verificación suelen mostrarse en texto más fino que otras dimensiones. No son obligatorias para la fabricación o el montaje, se utilizan principalmente para verificar el detallado y no para el montaje de partes.
Tekla Structures utiliza los puntos de trabajo para crear las dimensiones de verificación. Los puntos de trabajo pueden ser o los puntos entre los que se creó originariamente la parte, o el punto de intersección de las líneas de referencia de las partes. La ubicación de la línea de referencia depende de la posición de la parte En profundidad definida en las propiedades de la parte. Si es Mitad, la línea de referencia es la línea central; si es Delante, la línea se sitúa en el borde frontal de la parte, etc.
Una dimensión knock off es un tipo especial de dimensión de verificación que dimensiona la distancia desde los puntos de trabajo hasta el extremo de la parte.
Consulte la tabla bajo las imágenes para obtener instrucciones sobre cómo crear las dimensiones descritas.
Dimensiones de verificación:

Dimensiones knock off:
| A | Haga esto |
|---|---|
|
Crear dimensiones de verificación entre los puntos de trabajo extremos (número (1) en la imagen anterior) |
En el cuadro de diálogo Dimensionamiento, haga clic en y defina Puntos de trabajo de parte principal como Sí. |
|
Crear dimensiones de verificación entre los tornillos extremos (número (2) en la imagen anterior) |
En el cuadro de diálogo Dimensionamiento haga clic en y defina Tornillos extremos en Conjunto o Parte principal. |
|
Crear dimensiones de verificación desde el punto de trabajo extremo hasta el primer tornillo (número (3) en la imagen anterior) |
En el cuadro de diálogo Dimensionamiento, haga clic en y defina Tornillos extremos como Conjunto o Parte principal y Tornillos extremos a puntos de trabajo como Sí. |
|
Crear dimensiones de verificación horizontales y verticales entre los puntos de trabajo en un arriostramiento al sesgo (número (4) en la imagen anterior) |
En el cuadro de diálogo Dimensionamiento, haga clic en Dimensiones posición y defina Posición al sesgo de parte principal como Sí. |
|
Crear dimensiones de verificación entre los puntos de trabajo, como las intersecciones de las líneas de referencia de las partes principal y adyacente |
En el cuadro de diálogo Dimensionamiento, haga clic en Dimensiones posición y defina Posición tornillos a o Posición partes a Puntos de trabajo o Ambos. |
|
Crear dimensiones de verificación en las ubicaciones de agujeros de tornillos en la parte principal |
En el cuadro de diálogo Dimensionamiento, haga clic en Dimensiones posición y defina Posición tornillo parte principal como On. |
|
Crear dimensiones knock-off (número (5) en la imagen anterior) |
En el cuadro de diálogo Dimensionamiento haga clic en Dimensiones parte y defina Dimensiones knock off como On. |
Ejemplo: Dimensionamiento de partes
A continuación se muestran algunos ejemplos del aspecto de las dimensiones de parte en el dimensionamiento integrado con distintas configuraciones seleccionadas en la pestaña Dimensiones parte.
| Configuración de dimensionamiento | Ejemplo |
|---|---|
|
Dimensiones Interno definidas como Ninguno |
|
|
Dimensiones Interno definidas como Todo. |
|
|
Dimensiones globales |
|
|
Forma parte principal (Dimensiones de forma) definido como On. |
|
|
Dimensiones al sesgo definido como On. |
|
|
Ángulo al sesgo definido como Ángulo de corte. |
|
|
Ángulo al sesgo definido como Ángulo de viga. |
|
Los biseles y ranuras de Preparación de soldadura no están dimensionados en los dibujos. Los biseles y ranuras se dimensionan solo si se han modelado utilizando comandos de corte.
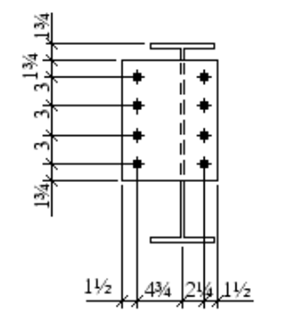
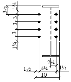
Ejemplo: Dimensionamiento de la posición
A continuación se muestran algunos ejemplos del aspecto de las dimensiones de posición en el dimensionamiento integrado con distintas configuraciones seleccionadas en la pestaña Dimensiones posición.
| Configuración de dimensionamiento | Ejemplo |
|
Posición partes a se ha definido como Ninguno. |
|
|
Posición partes a se ha definido como Parte principal. |
|
|
Posición tornillos a se ha definido como Puntos de trabajo. |
|
|
Parte secundaria se dimensiona Con tornillo. |
|
|
Parte secundaria se dimensiona Por parte. |
|
|
Parte secundaria se dimensiona Por ambos. |
|
|
Parte secundaria se dimensiona Con tornillo. Dirección dimensión parte secundaria es Parte adyacente. Posición desde se ha definido como Punto de trabajo. |
(1) Las dimensiones continuas empiezan en la intersección de las partes principal y secundaria (= punto de trabajo) (2) Las dimensiones están alineadas con la parte adyacente |
|
Posición tornillo parte principal se ha definido como Off. (Dimensiones internas tornillo parte principal se define como Interno en la pestaña Dimensiones tornillo). |
|
|
Posición tornillo parte principal se ha definido como On. (Dimensiones internas tornillo parte principal se define como Interno en la pestaña Dimensiones tornillo). |
Por defecto, no se crean dimensiones de posición mínima y máxima para tornillos. Consulte Adición de dimensiones de posición mínima y máxima a los tornillos, para obtener información sobre cómo crear estas dimensiones. |
|
Posición al sesgo de parte principal se ha definido como Sí. |
|
|
Posición al sesgo se ha definido como ángulo. |
|
|
Parte centrada se ha definido como Interno. |
|
|
Parte centrada se ha definido como Posición. |
|
|
Tornillo centrado se ha definido como Interno. |
|
|
Tornillo centrado se ha definido como Posición. |
|
Ejemplo: Cerrar dimensiones
A continuación se muestran algunos ejemplos sobre cómo Tekla Structures crea dimensiones en el dimensionamiento integrado con distintas opciones seleccionadas en el área Cerrar dimensiones en la pestaña General.
| Opción de cierre | Ejemplo |
|---|---|
|
Cerrar dimensiones se ha definido como No. |
|
|
Cerrar dimensiones se ha definido como Todo. |
|
|
Dimensiones cortas se ha definido como No. |
|
Ejemplo: Combinación de dimensiones
A continuación se muestran algunos ejemplos de cómo combina Tekla Structures las dimensiones en el dimensionamiento integrado con distintas opciones seleccionadas en la pestaña General.
|
Opción de combinación |
Ejemplo |
|---|---|
|
La opción No evita la combinación de las dimensiones. |
|
|
La opción 1 combina las dimensiones de posición de parte con las dimensiones internas de parte, y las dimensiones internas de grupo de tornillos con las distancias de borde de tornillo. Las dimensiones de posición de tornillos no se combinan con las dimensiones internas de tornillos. |
|
|
La opción 2 combina la dimensión de posición de parte con las dimensiones internas de parte y las dimensiones internas de grupo de tornillos. Las dimensiones internas de tornillos se combinan con las dimensiones de posición de tornillos. Las distancias de borde se muestran por separado. |
|
|
La opción 3 combina las dimensiones internas de tornillos y las dimensiones de posición en la misma línea de dimensión. |
|
|
La opción 4 combina las dimensiones de posición de grupo de tornillos con las dimensiones de posición de parte. Las dimensiones internas de parte y de tornillo no se combinan con esta opción, pero las dimensiones internas de tornillo se combinan con las distancias de borde de tornillo. |
|
|
La opción 5 combina las dimensiones internas y la dimensión de posición de los grupos de tornillos cuando hay varios grupos de tornillos. |
|
|
La opción 4.5 utiliza una combinación de la opción 5 para la parte principal y la opción 4 para las partes secundarias. |
|
|
Distancia 5’-0 |
|
|
Distancia 1’-0 |
|
|
Distancia mín. 5’-0 |
|
|
Distancia mín. 5" |
|
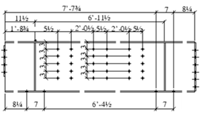
Ejemplo: Combinación de dimensiones de grupo de tornillos
Para llevar a cabo el dimensionamiento y el marcado, Tekla Structures considera los grupos de tornillos que están cerca en el dimensionamiento integrado como un grupo en función del número mínimo de dimensiones para combinar y el formato seleccionado en la pestaña Dimensiones tornillo.
(1) Grupo de tornillos 1
(2) Grupo de tornillos 2
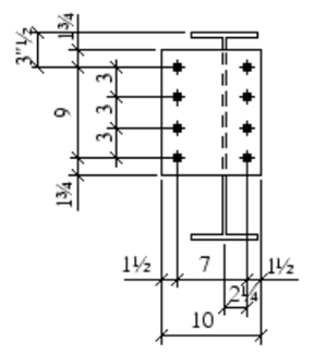
Ejemplo: Desplazamiento hacia adelante
A continuación se muestran algunos ejemplos de cómo Tekla Structures coloca las dimensiones en el dimensionamiento integrado con distintos valores de desplazamiento hacia delante en la pestaña General.
| Configuración de Desplazamiento delante | Ejemplo |
|---|---|
|
Desplazamiento delante superior a la dimensión 1’-8 al grupo de agujeros. |
|
|
Desplazamiento delante definido como un valor más pequeño. |
|
Ejemplo: dimensiones de malla
(1) Opción Total seleccionada
(2) Opción Vanos individuales seleccionada
Ejemplo: Distancia reconocible
A continuación se muestra un ejemplo de cómo Tekla Structures utiliza la configuración Distancia reconocible en el dimensionamiento integrado. Si introduce un valor para Distancia reconocible en la pestaña General y la asimetría de las partes es inferior a la distancia introducida, se añade una dimensión.
Esta configuración se utiliza cuando la dimensión Interno está definida como Necesario. La dimensión de la distancia reconocible no se añade necesariamente si la parte se puede montar correctamente sin ella.
Un ejemplo habitual lo encontramos en un rectángulo que es casi tan largo como ancho.
Ejemplo: Lado de dimensión preferido
Puede definir el lado de dimensión preferido para las partes y los tornillos en la pestaña Dimensiones parte y la pestaña Dimensiones tornillo en el dimensionamiento integrado. Los siguientes ejemplos muestran el aspecto de las distintas configuraciones de Lado dim. preferido para las dimensiones de parte.
Ejemplo: Dimensiones de armadura
A continuación se muestran algunos ejemplos de cómo Tekla Structures crea dimensiones para los grupos de armaduras en el dimensionamiento integrado con diferentes opciones seleccionadas en la pestaña Dimensiones armadura.
| Opción | Ejemplo |
|---|---|
|
Dimensiones para grupos armaduras se define como On, sin etiquetas de dimensión especificadas en las propiedades de dimensión. |
|
|
Dimensiones para grupos armaduras se define como On, etiquetas de dimensión especificadas en las propiedades de dimensión. |
|
|
Dimensiones para grupos armaduras se define como On, etiquetas de dimensión especificadas en las propiedades de dimensión, dimensiones de cierre añadidas al borde de la parte en las propiedades de dimensión (Borde parte se define como Sí). |
|










