Clonación de dibujos más fiable
La clonación se utiliza con frecuencia en los dibujos para crear dibujos de fabricación. En Tekla Structures 2024, cuando use la clonación para crear dibujos de conjuntos, ahora obtendrá de forma automática resultados más correctos, por lo que necesitará menos ajustes. Y cuando cambie el modelo, sus dibujos se mantendrán mejor actualizados.
Las mejoras en el núcleo del motor de clonación aportan mejoras a las funciones siguientes:
- La función Creación inteligente en dibujos de fabricación. Se ha mejorado esta función centrándose principalmente en los dibujos de productos de acero, pero también se benefician los dibujos de hormigón.
- La clásica función de clonación para dibujos de fabricación en Gestión documentos y Base de datos dibujos maestros.
Se ha mejorado la calidad de la documentación generada por la función Creación inteligente en los dibujos de fabricación, principalmente en los dibujos de conjunto:
- Mejora de la creación de vistas de corte
- Mejora de la colocación de vistas y dimensiones para partes y tornillos
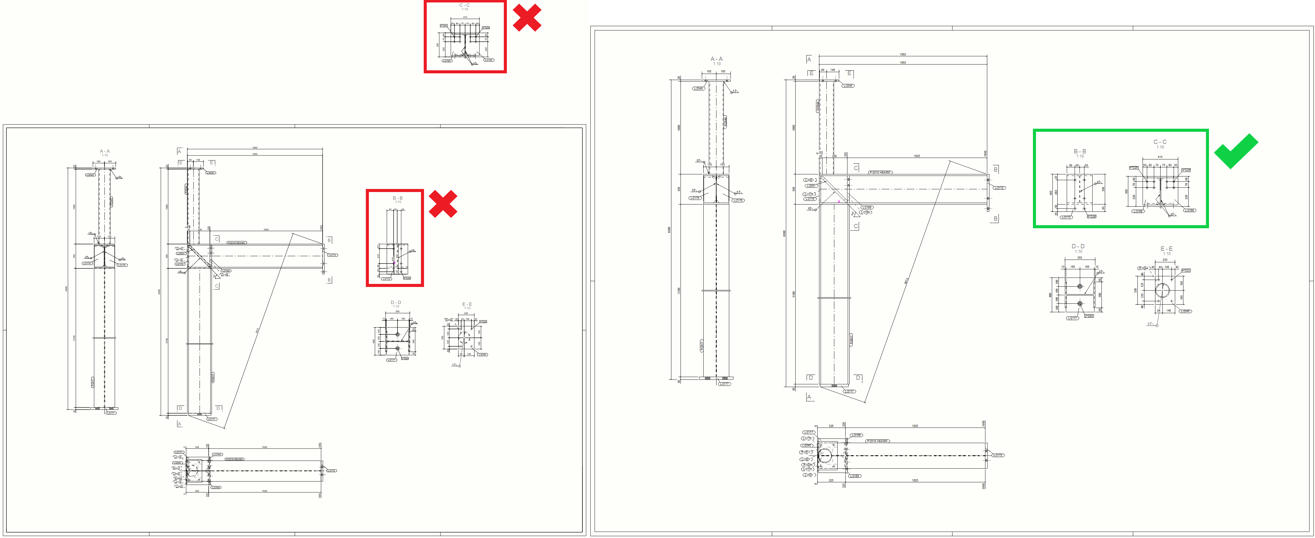
Ejemplos de mejoras en la clonación
En los siguientes ejemplos se muestra cómo se ha mejorado la anotación y la colocación de vistas para conjuntos similares con diferente cantidad de objetos de modelo.
Haga clic en el enlace Imagen a tamaño completo que aparece debajo de cada imagen para verlas a tamaño completo. Haga clic con el botón derecho del ratón y seleccione el comando adecuado para abrir el enlace en otra ventana del navegador.

Figura 1 Imagen a tamaño completo

Figura 2 Imagen a tamaño completo

Figura 3 Imagen a tamaño completo

Figura 4 Imagen a tamaño completo

Figura 5 Imagen a tamaño completo

Figura 6 Imagen a tamaño completo

Figura 7 Imagen a tamaño completo

Figura 8 Imagen a tamaño completo