Cómo calcular la longitud de los lados de la armadura

Tekla Structures
2022
Tekla Structures

Cómo calcular la longitud de los lados de la armadura

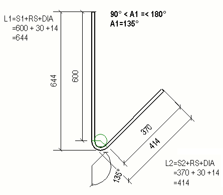
La forma de calcular la longitud de los lados de la armadura depende del ángulo entre los lados de la barra.

  • Si el ángulo es <= 90°, la longitud se mide hasta la extensión de un lado a lo largo del borde exterior

  • Si el ángulo es > 90° y <= 180°, se utiliza la longitud tangencial

Las longitudes de los lados se calculan mediante Gestión Formas Armadura, donde

  • S1 = porción recta de una barra para el primer segmento
  • S2 = porción recta de una barra para el segundo segmento
  • A1 = ángulo de plegado medido entre la extensión del primer lado y el segundo lado.El ángulo es 0° si el segundo segmento continúa en la misma dirección del primer segmento (la barra es recta)
  • L1 = longitud de lado para el primer segmento de armaduras
  • L2 = longitud de lado para el segundo segmento de armaduras
  • RS = radio de plegado
  • DIA = diámetro real de la armadura
¿Le ha resultado útil?
Anterior
Siguiente