ASSEMBLY_POSITION_CODE
This is a template attribute. Template attributes can be used in filtering, or to retrieve data from the model to use in drawings and reports. For example, when you create a report, Tekla Structures replaces the attributes added in the report template with the corresponding object property values.
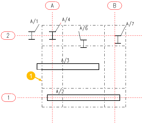
This template attribute shows the assembly position code. The code identifies the grid position. The position of the objects is calculated based on the closest grid.
|
Assembly |
Code |
|---|---|
|
A/1 |
<A/2 |
|
A/2 |
A-B/1 |
|
A/3 |
<A-B/1-2 |
|
A/4 |
A/2 |
|
A/6 |
A-B/1-2 |
|
A/7 |
B/2 |

(1) TOLERANCE LINE
The position code consists of grid line labels in the x and y directions (alternatively in the z direction). If an assembly begins or ends outside the first or last grid line, a < or > character is included in the position code. For example, if an assembly begins outside the A grid line, this field shows:
<A/2
If an assembly is completely within a tolerance distance (by default 500 mm) of grid line A, the position code is the label of that grid line: A.
If the assembly is partially or entirely outside the tolerance distance, the code is a combination of grid labels: A-B.
To change the default tolerance distance, set the advanced
option XS_ASSEMBLY_POSITION_CODE_TOLERANCE=750, for example.
To include the Z orientation in the code, set the advanced option
XS_ASSEMBLY_POSITION_CODE_3D to TRUE. The code would be similar to: <A-B/1-2/1-+1000
Tekla Structures selects the grid to use as follows:
-
Tekla Structures checks the location of the assembly.
-
If it is located inside several grids, Tekla Structures checks whether the assembly is parallel to grid lines or the plane.
-
If there are several parallel grids, Tekla Structures selects the closest.