ASSEMBLY_POSITION_CODE
Das ist ein Vorlagenattribut. Vorlagenattribute dienen zum Filtern oder Abrufen der in Zeichnungen und Listen zu verwendenden Modelldaten. Beim Erstellen einer Liste ersetzt Tekla Structures beispielsweise die in der Listenvorlagen hinzugefügten Attribute durch die entsprechenden Objekteigenschaftswerte.
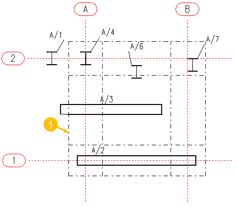
Dieses Vorlagenattribut zeigt den Positionscode der Baugruppe an. Der Code erkennt die Achsrasterposition. Die Position der Objekte wird anhand des nächstgelegenen Achsrasters berechnet.
|
Baugruppe |
Code |
|---|---|
|
A/1 |
<A/2 |
|
A/2 |
A-B/1 |
|
A/3 |
<A-B/1-2 |
|
A/4 |
A/2 |
|
A/6 |
A-B/1-2 |
|
A/7 |
B/2 |

(1) TOLERANZELINIE
Der Positionscode besteht aus Rasterlinienbezeichnungen in Richtung der X- und Y-Achse (alternativ der Z-Achse). Beginnt oder endet eine Baugruppe außerhalb der ersten oder letzten Rasterlinie, enthält der Positionscode das Zeichen < bzw. >. Beginnt eine Baugruppe beispielsweise außerhalb der Rasterlinie A, wird im Feld Folgendes angezeigt:
<A/2
Liegt eine Baugruppe vollständig innerhalb eines Toleranzabstandes (Standardeinstellung 500 mm) der Rasterlinie A, wird als Positionscode die Bezeichnung der jeweiligen Rasterlinie verwendet: A.
Liegt die Baugruppe vollständig oder teilweise außerhalb des Toleranzabstandes, besteht Code aus einer Kombination aus Rasterlinienbezeichnungen: A-B.
Zum Ändern des Standardtoleranzabstands stellen beispielsweise Sie die erweiterte Option auf XS_ASSEMBLY_POSITION_CODE_TOLERANCE=750 ein.
Um in den Code auch die Ausrichtung an der Z-Achse einzubeziehen, stellen Sie die erweiterte Option XS_ASSEMBLY_POSITION_CODE_3D auf TRUE ein. Der Code würde dann in etwa folgendermaßen aussehen: <A-B/1-2/1-+1000
Tekla Structures wählt das zu verwendenden Achsraster folgendermaßen aus:
-
Tekla Structures prüft die Position der Baugruppe.
-
Sollte sich diese innerhalb mehrerer Achsen befinden, prüft Tekla Structures die Baugruppe auf parallele Anordnung zu Rasterlinien oder Ebene.
-
Sollte sie zu mehrere Achsen parallel liegen, wählt Tekla Structures das am nächsten gelegene Achsraster aus.